电工中级理论练习题
发布时间:2022-08-14 14:47:17 点击次数:
维修电工 中级理论知识
1.将变压器的一次侧绕组接交流电源,二次侧绕组的电流大于额定值,这种运行方式称为()运行。正确答案:B
A、空载 B、过载 C、满载 D、轻载
2.三相异步电动机工作时,其电磁转矩是由()与转子电流共同作用产生的。正确答案:C
A、定子电流 B、电源电压 C、旋转磁场 D、转子电压
3.点接触型二极管可工作于()电路。正确答案:A
A、高频 B、低频 C、中频 D、全频
4.如图所示,该电路的反馈类型为()正确答案:D

A、电压串联负反馈 B、电压并联负反馈 C、电流串联负反馈 D、电流并联负反馈
5.晶体管特性图示仪零电流开关的作用是测试管子的()正确答案:B
A、击穿电压、导通电流 B、击穿电压、穿透电流 C、反偏电压、穿透电流 D、反偏电压、导通电流
6.晶体管毫伏表测试频率范围一般为()正确答案:A
A、5Hz~20Mz B、1KHz~10MHz C、500Hz~20MH2 D、100Hz~10MH2
7.固定偏置共射放大电路出现截止失真,是()正确答案:B
A、RB偏小 B、RB偏大 C、Rc偏小 D、Rc偏大
8.共射极放大电路的输出电阻比共基极放大电路的输出电阻是()正确答案:C
A、大 B、小 C、相等 D、不定
9.()用于表示差动放大电路性能的高低。正确答案:C
A、电压放大倍数 B、功率 C、共模抑制比 D、输出电阻
10.LC选频振荡电路,当电路频率高于谐振频率时电路性质为()正确答案:C
A、电阻性 B、感性 C、容性 D、纯电容性
11.直流接触器一般用于控制()的负载。正确答案:C
A、弱电 B、无线电 C、直流电 D、交流电
12.用于指示电动机正处在停止状态的指示灯颜色应选用()正确答案:C
A、紫色 B、蓝色 C、红色 D、绿色
13.直流电动机启动时,随着转速的上升,要()电枢回路的电阻。正确答案:D
A、先增大后减小 B、保持不变 C、逐渐增大 D、逐渐减小
14.直流串励电动机需要反转时,一般将()两头反接。正确答案:A
A、励磁绕组 B、电枢绕组 C、补偿绕组 D、换向绕组
15.三相异步电动机的位置控制电路中,除了用行程开关外,还可用()。正确答案:D
A、断路器 B、速度继电器 C、热继电器 D、光电传感器
16.下列不属于位置控制线路的是()正确答案:A
A、走廊照明灯的两处控制电路 B、龙门刨床的自动往返控制电路
C、电梯的开关门电路 D、工厂车间里行车的终点保护电路
17.M7130平面磨床中电磁吸盘吸力不足的原因之一是()。正确答案:A
A、电磁吸盘的线圈内有匝间短路 B、电磁吸盘的线圈内有开路点 C、整流变压器开路 D、整流变压器
18.C6150车床控制电路中的中间继电器KA1和KA2常闭触点故障时会造成()正确答案:A
A、主轴无制动 B、主轴电动机不能启动 C、润滑油泵电动机不能启动 D、冷却液电动机不能启动
19.Z3040摇臂钻床中摇臂不能夹紧的可能原因是()。正确答案:D
A、行程开关SQ2安装位置不当旨 B、时间继电器定时不合适 C、主轴电动机故障 D、液压系统故障
20.当检测体为()时,应选用电容型接近开关。正确答案:D
A、透明材料 B、不透明材料 C、金属材料 D、非金属材料
21.选用接近开关时应注意对工作电压、负载电流、响应频率、()等各项指标的要求。正确答案:A
A、检测距离 B、检测功率 C、检测电流 D、工作速度
22.永久磁铁和()可以构成磁性开关。正确答案:B
A、继电器 B、干簧管 C、二极管 D、三极管
23.磁性开关的图形符号中,其菱形部分与常开触点部分用()相连。正确答案:A
A、虚线 B、实线 C、双虚线 D、双实线
24.增量式光电编码器配线延长时,应在()以下。正确答案:D
A、1km B、100m C、1m D.10m
25.下列选项不是PLC的特点()。正确答案:D
A、抗干扰能力强 B、编程方便 C、安装调试方便 D、功能单一
26.FX2N可编程序控制器DC输入型,输入电压额定值为()。正确答案:B
A、 AC 24V B、DC 24V C、AC 12V D、DC 36V
27.FX2N系列可编程序控制器中回路并联连接用()指令。正确答案:D
A、AND B、ANI C.、ANB D、ORB
28.PLC梯形图编程时,右端输出继电器的线圈只能并联()个。正确答案:D
A、三 B、二 C、一 D、不限
29.()是可编程序控制器使用较广的编程方式。正确答案:B
A、功能表图 B、梯形图 C、位置图 D、逻辑图
30.FX2NPLC的通信口是()模式。正确答案:C
A、RS232 B、RS485 C、RS422 D、USB
31.PLC外部环境检查时,当湿度过大时应考虑装()。正确答案:C
A、风扇 B、加热器 C、空调 D、除尘器
32.根据电动机顺序启动梯形图,下列指令正确的是()。正确答案:C


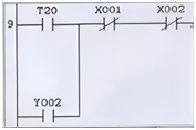
A、LDI T20 B、AND X001 C、OUT Y002 D. AND X002
33.变频调速时电压补偿过大会出现()情况。正确答案:A
A、负载轻时,电流过大 B、负载轻时,电流过小
C、电机转矩过小,难以启动 D、负载重时,不能带动负载
34.在变频器的输出侧切勿安装()。正确答案:A
A、移相电容 B、交流电抗器 C、噪声滤波器 D、测试仪表
35.变频器中的直流制动是克服低速爬行现象而设置的,拖动负载惯性越大,()设定值越高。正确答案:A
A、直流制动电压 B、直流制动时间 C、直流制动电流 D、制动起始频率
36.水泵停车时,软起动器应采用()。正确答案:B
A、自由停车 B、软停车 C、能耗制动停车 D、反接制动停车
37.软启动器()常用于短时重复工作的电动机。正确答案:C
A、跨越运行模式 B、接触器旁路运行模式 C、节能运行模式 D、调压调速运行模式
38.软启动器内部发热主要来自晶闸管组件,通常晶闸管散热器的温度要求不高于()。正确答案:D
A、120℃ B、100℃ C、60℃ D、75℃
39.在MGB1420万能磨床中,对于单结晶体管来说,一般选用n在()左右。正确答案:A
A、0.5~0.85 B、0.85~1 C、1~2 D、3~5
40.电气测绘时,一般先(),最后测绘各回路。正确答案:B
A、输入端 B、主干线 C、简单后复杂 D、主线路
41.在MGB1420 万能磨床的冷却泵电动机控制回路中,接通电源开关QS1后,220V交流控制电压通过开关SA2控制接触器(),从而控制液压、冷却泵电动机。正确答案:A
A、 KM1 B、KM2 C、KM3 D、KM4
42.X6132型万能铣床工作台变换进给速度时,当蘑菇形手柄向前拉至极端位置且在反向推回之前借孔盘推动行程开关SQ6,瞬时接通接触器(),则进给电动机作瞬时转动,使齿轮容易啮合。正确答案:B
A、KM2 B、KM3 C、KM4 D、KM5
43.X6132型万能铣床的全部电动机都不能启动,可能是由于()造成的。正确答案:C
A、停止按钮常闭触点短路 B、SQ7 常开触点接触不良
C、控制变压器TC 的输出电压不正常 D、电磁离合器YC1无直流电压
44.起重机轨道的连接包括同一根轨道上接头处的连接和两根轨道之间的连接。两根轨道之间的连接通常采用()扁钢或Φ10mm
以上的圆钢。正确答案:D
A、10mmX1mm B、20mm×2mm C、25mm×2mm D、30mmX3mm
45.橡胶软电缆供、馈电线路采用拖缆安装方式,该结构两端的钢支架采用50mmx50mmx5mm 角钢或槽钢焊制而成,并通过()固
定在桥架上。正确答案:A
A、底脚 B、钢管 C、角钢 D、扁铁
46.X6132型万能铣床电气控制板制作前应检测电动机()。正确答案:C
A、是否有异味 B、是否有异常声响 C、绝缘是否良好 D、是否振动
47.X6132型万能铣床线路敷设时,在垂真于板面方向上的导线,高度应()。正确答案:B
A、相差5mm B、相同 C、相差10mm D、相差3mm
48.在MGB1420万能磨床的自动循环工作电路系统中,通过微动开关SQ1、SQ2,行程开关SQ3,万能转换开关SA4,时间继电器()
和电磁阀YT与油路、机械方面配合实现磨削自动循环工作。正确答案:C
A、KA B、KM C、KT D、KP
49.MGB1420万能磨床电动机转数稳定调整时,V19、R26组成电流正反馈环节,()、R36、R28组成电压负反馈电路。正确答案:B
A、R27 B、R29 C、R31 D、R32
50.以20/5t桥式起重机导轨为基础,供电导管调整时,调整其水平距离,直至误差()。正确答案:C
A、≤2mm B、≤2.5m C、≤4mm D、≤6mm
51.车修换向器表面时,加工后换向器与轴的同轴度不超过()。正确答案:A
A、0.02~0.03mm B、0.03~0.35mm C、0.35~0.4mm D、0.4-0.45mm
52. 直流系统仪表的准确度等级一般不于1.5级,在缺少1.5级仪表时,可用2.5级仪表加以调整,使其在正常条件下,误差达到( )的标准。
正确答案:C
A、0.1级 B、0.5级 C、1.5级 D、2.5级
53.三相两元件功率表常用于高压线路功率的测量,采用电压互感器和( )以扩大量程。正确答案:B
A、电压互感器 B、电流互感器 C、并联分流电阻 D、串联附加电阻
54.X6132型万能铣床机床床身立柱上电气部件与升降台电气部件之间的连接导线用金属软管保护,其两端按有关规定用()固定好。
正确答案:B
A、绝缘胶布 B、卡子 C、导线 D、塑料套管
55.桥式起重机连接接地体的扁钢采用()而不能平放,所有扁钢要求平直。正确答答案:A
A、立行侧放 B、横放 C、倾斜放置 D、纵向放置
56.X6132型万能铣床主轴制动时,元件动作顺序为:SB1(或SB2)按钮动作→KM1、M1失电→KM1常闭触点闭合→()得电。正确答案:A
A、YC1 B、YC2 C、YC3 D、YC4
57.反复短时工作制的周期时间T(),工作时间tg≤4min时,导线的允许电流有下述情况确定:截面小于6mm2的铜线,其允许电流按长期工作制计算。正确答案:B
A、≥5min B、≤10min C、≤11min D、≤4min
58.在MGB1420万能磨床中,充电电阻R的大小是根据晶闸管移相范围的要求()来决定的。正确答案:A
A、充电电容器C的大小 B、晶闸管是否触发 C、晶闸管导通后是否关断 D、晶闸管是否过热
59.20/5t桥式起重机限位开关的安装要求是:依据设计位置安装固定限位开关,限位开关的型号、规格要符合设计要求,以保证
安全撞压、()、安装可靠。正确答案:B
A、绝缘良好 B、动作灵敏 C、触头使用合理 D、便于维护
60.当直导体和磁场垂直时,与直导体在磁场中的有效长度、所在位置的磁感应强度成()。正确答案:C
A、相等 B、相反 C、正比 D、反比
61.20/5t桥式起重机电线管路安装时,根据导线直径和根数选择电线管规格,用卡箍、螺钉紧固或()固定。正确答案:A
A、焊接方法 B、铁丝 C、硬导线 D、软导线
62.直流电动机转速不正常的故障原因主要有()等。正确答案:D
A、换向器表面有油污 B、接线错误 C、无励磁电流 D、励磁绕组有短路
63.根据导线共管敷设原则,下列各线路中不得共管敷设的是()。正确答案:D
A、有联锁关系的电力及控制回路 B、用电设备的信号和控制回路 C、同一照明方式的不同支线 D、工作照明线路
64.对于振动负荷或起重用电动机,电刷压力要比一般电动机增加()。正确答案:C
A、30%~40% B、40%~50% C、50%~70% D、75%
65.直流电动机滚动轴承发热的主要原因有()等。正确答案:A
A、轴承磨损过大 B、轴承变形 C、电动机受潮 D、电刷架位置不对
66.CA6140型车床三相交流电源通过电源开关引入端子板,并分别接到接触器 KM1上和熔断器FU1,从接触器KM1出来后接到热继电器()上。正确答案:A
A、FR1 B、FR2 C、FR3 D、FR4
67.直流电动机因电刷牌号不相符导致电刷下火花过大时,应更换()的电刷。正确答案:C
A、高于原规格 B、低于原规格 C、原牌号 D、任意
68.较复杂机械设备开环调试时,应用示波器检查整流变压器与同步变压器二次侧相对()、相位必须一致。正确答案A
A、相序 B、次序 C、顺序 D、超前量
69.X6132型万能铣床电气控制板制作前,应准备电工工具一套,钻孔工具一套包括手枪钻、()及丝锥等。正确答案:D
A、螺丝刀 B、电工刀 C、台钻 D、钻头
70.当X6132型万能铣床工作台不能快速进给,检查接触器KM2是否吸合,如果已吸合,则应检查()。正确答案:B
A、KM2的线圈是否断线 B、KM2的主触点是否接触不良 C、快速按钮SB5的触点是否接触不良 D、快速按钮SB6的触点是否接触不良
71.电磁调速电动机校验和试车时,拖动电动机一般可以全压启动,如果电源容量不足,可采用()作减压启动。正确答案:C
A、串电阻B、星一三角C、自耦变压器D、延边三角形
72.下列故障原因中()会导致直流电动机不能启动。正确答案:B
A、电源电压过高B、电动机过载C、电刷架位置不对 D、励磁回路电阻过大
73.在MGB1420 万能磨床晶闸管直流调速系统控制回路中,由控制变压器TC1的二次绕组②经整流二极管V6、V12、三极管()等组成同步信号输入环节。正确答案:D
A、V21 B、V24C、V29D、V36
74.()反映了在不含电源的一段电路中,电流与这段电路两端的电压及电阻的关系。正确答案:C
A、欧姆定律B、楞次定律C、部分电路欧姆定律D、全欧姆定律
75.X6132型万能铣床线路左、右侧配电箱控制板时,油漆干后,固定好接触器、()、熔断器、变压器、整流电源和端子等。正确答案:B
A、电流继电器B、热继电器C、中间继电器D、时间维电器
76.MGB1420万能磨床电流截止负反馈电路调整,工件电动机的功率为0.55KW,额定电流为3A,将截止电流调至4.2A左右。把电动机
转速调到()的范围内。正确答案:D
A.20~30r/min B、100~200r/min C、200~300r/min D、700~800r/min
77. 交磁电机扩大机在运转前应空载研磨电刷接触面,使磨合部分(镜面)达到电刷整个工作面80%以上时为止,通常需空转()。
正确答案:B
A、0.5~1h B、1~2h C、2~3h D、4h
78.绕线式电动机转子电刷短接时,负载启动力矩不超过额定力矩50%时,按转子额定电流的()选择截面。正确答案:A
A、35% B、50% C、60% D、70%
79.较复杂机械设备开环调试时,应用示波器检查()与同步变压器二次侧相对相序、相位必须一致。正确答案:B
A、脉冲变压器B、整流变压器C、旋转变压器D、自耦变压器
80.正确阐述职业道德与人的事业的关系的选项是()。正确答案:D
A、没有职业道德的人不会获得成功B、要取得事业的成功,前提条件是要有职业道德
C、事业成功的人往往并不需要较高的职业道德D、职业道德是人获得事业成功的重要条件
81.电路的作用是实现能量的()和转换、信号的传递和处理。正确答案:B
A、连接B、传输C、控制D、传送
82.在MGB1420万能磨床晶闸管直流调速系统控制回路的辅助环节中,由C15、()、R27、RP5等组成电压微分负反馈环节,以改善电动机运转时的动态特性。正确答案:D
A. RP1 B、RP2 C、RP4 D、R37
83.在MGB1420万能磨床晶闸管直流调速系统控制回路的辅助环节中,由R29、R36、R38组成()。正确答案:B
A、积分校正环节B、电压负反馈电路C、电压微分负反馈环节D、电流负反馈电路
84.桥式起重机接地体的制作时,可选用专用接地体或用()角钢,截取长度为2.5m,其一端加工成尖状。正确答案:D
A、20mmX20mmX2mm B、30mmX30mmX3mm C、40mmX40mmX4mmD、50mmX50mmX5mm
85.测速发电机可做校正元件。对于这类用途的测速发电机,可选用直流或异步测速发电机,其精度要求()。正确答案:B
A、任意B、比较高C、最高D、最低
86.晶闸管调速电路带见故障中,工件电动机不转,可能是())正确答案:C
A、三极管V35漏电流过大B、三极管V37漏电流过大C、触发电路没有触发脉冲输出D、三极管已经击穿
87.白铁管和电线管径可根据穿管导线的截面和根数选择,如果导线的截面积为2.5mm2,穿导线的根数为三根,则线管规格为()mm。
正确答案:B
A、13 B、16 C、19 D、25
88. X6132型万能铣床工作台的左右运动由操纵手柄来控制,其联动机构控制行程开关SQ1和SQ2,它们分别控制工作台()及向左运动。
正确答案:D
A、向上 B、向下 C、向后 D、向右
89.X6132型万能铣床工作台进给变速冲动时,先将蘑菇形手柄向外拉并转动手柄,将转盘调到所需进给速度,然后将蘑菇形手柄拉到极限位置,这时连杆机构压合SQ6,()接通正转。正确答案:C
A、M1 B、 M2 C、M3 D、M4
90.CA6140型车床控制线路的电源是通过变压器()引入到熔断器FU2,经过串联在一起的热继电器FR1和FR2的辅助触点接到端子板6号线。正确答案:A
A、TC B、KM C、KT D、SB
91.在MGB1420万能磨床晶闸管直流调速系统的主回路中,直流电动机M的励磁电压由220V交流电源经二极管整流取得()左右的直流电压。正确答案:B
A、110V B、190V C、220V D、380V
92.直流电动机的单波绕组中,要求两只相连接的元件边相距约为()极距。正确答案:B
A、一倍 B、两倍 C、三倍 D、五倍
93.20/5t桥式起重机安装前检查各电器是否良好,其中包括检查电动机、()凸轮控制器及其他控制部件。正确答案:A
A、电磁制动器 B、过电流继电器 C、中间继电器 D、时间继电器
94.X6132型万能铣床电动机的安装,一般采用起吊装置,先将电动机()吊起至中心高度并与安装孔对正,再将电动机与齿轮连接件啮合,对准电动机安装孔,旋紧螺栓,最后撤去起吊装置。正确答案:D
A、垂直 B、倾斜30° C、倾斜45° D、水平
95.X6132型万能铣床工作台快速移动可提高工作效率,调试时,必须保证当按下()时,YC3动作的即时性和准确性。正确答案:D
A、SB2 B、SB3 C、SB4 D、SB6
96.企业生产经营活动中,要求员工遵纪守法是()正确答案:B
A、约束人的体现 B、保证经济活动正常进行所决定的 C、领导者人为的规定 D、追求利益的体现
97.X6132型万能铣床主轴上刀制动时。把SA2一2打到接通位置;()断开127V控制电源,主轴刹车离合器YC1 得电,主轴不能启动。
正确答案:C
A、SA1一1 B、SA1一2 C、SA2一1 D、SA2一2
98.岗位的质量要求,通常包括操作程序,工作内容,工艺规程及()等。正确答案:C
A、工作计划 B、工作目的 C、参数控制 D、工作重点
99()的一端连在电路中的一点,另一端也同时连在另一点,使每个电阻两端都承受相同的电压,这种联结方式叫电阻的并联。
正确答案:D
A、两个相同电阻 B、一大一小电阻 C、几个相同大小的电阻 D、几个电阻
100.X6132型万能铣床工作台向上移动时,将()扳到“断开”位置,SA1-1闭合,SA1-2断开,SA1-3闭合正确答案:A
A、 SA1 B、 SA2 C、 SA3 D、SA4
101.钳形电流表每次测量只能钳入一根导线,并将导线置于钳口(),以提高测量准确性。正确答案:C
A、上部 B、下部 C:中央 D、任意位置
102.用万用表测量元件阳极和阴极之间的正反向阻值时,优质元件在兆欧数量级,少则()正确答案:D
A、几十欧以上 B、几百欧以上 C、几千欧以上 D、几百千欧以上
103.读图的基本步骤有:看图样说明,(),看安装接线图。正确答案:B
A、看主电路 B、看电路图 C、看辅助电路 D、看交流电路
104.对待职业和岗位,()并不是爱岗敬业所要求的。正确答案:D
A、树立职业理想 B、干一行爱一行专一行 C、遵守企业的规章制度 D、一职定终身,不改行
105.使用PF-32数字式万用表测500V直流电压时,按下()键,此时万用表处于测量直流电压状态。正确答案:C
A、S1 B.、S2 C、S3 D、S4
106.测速发电机可以作为()。正确答案:C
A、电压元件 B、功率元件 C、解算元件 D、电流元件
107.软启动器在()下,一台软启动器才有可能启动多台电动机。正确答案:C
A、跨越运行模式 B、节能运行模式 C、接触器旁路运行模式 D、调压调速运行模式
108.直流电动机按照励磁方式可分他励、并励、串励和()四类。正确答案:D
A、接励 B、混励 C、自励 D、复励
109.如图所示,不计电压表和电流表的内阻对电路的影响。开关接1时,电流表中流过的短路电流为()。正确答案:B

A、0A B、10A C、0.2A D、约等于0.2A
110.按照功率表的工作原理,所测得的数据是被测电路中的()。正确答案:A
A、有功功率 B、无功功率 C、视在功率 D、瞬时功率
111.三相异步电动机具有结构简单、工作可靠、重量轻、()等优点。正确答案:B
A、调速性能好 B、价格低 C、功率因数高 D、交直流两用
112.调节电桥平衡时,若检流计指针向标有“+”的方向偏转时,说明()正确答案:A
A、通过检流计电流大、应增大比较臂的电阻 B、通过检流计电流小、应增大比较臂的电阻
C、通过检流计电流小、应减小比较臂的电阻 D、通过检流计电流大、应减小比较臂的电阻
113.差动放大电路能放大()。正确答案:D
A、直流信号 B、交流信号 C、共模信号 D、差模信号
114.光电开关的发射器部分包含()。正确答案:C
A、计数器 B、解调器 C、发光二极管 D、光电三极管
115.M7130平面磨床中,冷却泵电动机M2必须在()运行后才能启动。正确答案:D
A、照明变压器 B、伺服驱动器 C、液压泵电动机M3 D、砂轮电动机M1
116.M7130平面磨床的控制电路由()供电。正确答案:D
A、直流110V B、直流220V C、交流200V D、交流380V
117.PLC梯形图编程时,右端输继电器的线圈能并联()个。正确答案:B
A、一 B、不限 C、0 D、二
118.可编程序控制器在硬件设计方面采用了一系列措施,如对干扰的()。正确答案:A
A、屏蔽、隔离和滤波 B、屏蔽和滤波 C、屏蔽和隔离 D、隔离和滤波
119.下列不是集成运放的非线性应用的是()。正确答案:C
A、过零比较器 B、滞回比较器 C、积分应用 D、比较器
120.选用LED指示灯的优点之一是()。正确答案:A
A、寿命长 B、发光强 C、价格低 D、颜色多
121.西门子MM440变频器可通过USS串行接口来控制其启动、停止(命令信号源)及()。正确答案:A
A、频率输出大小 B、电机参数 C、直流制动电流 D、制动起始频率
122.单相桥式可控整流电路电感性负载带续流二极管时,晶闸管的导通角为()。正确答案:A
A、180°-a B、90°-a C、90°+a D、180°+a
123.高频振荡电感型接近开关的感应头附近无金属物体接近时,接近开关()。正确答案:B
A、有信号输出 B、振荡电路工作 C、振荡减弱或停止 D、产生涡流损耗
124.直流电动机结构复杂、价格贵、制造麻烦、维护困难,但是()、调速范围大。正确答案:B
A、启动性能差 B、启动性能好 C、启动电流小 D、启动转矩小
125.爱岗敬业作为职业道德的重要内容,是指员工()。正确答案:C
A、热爱自己喜欢的岗位 B、热爱有钱的岗位 C、强化职业责任 D、不应多转行
126.理想集成运放输出电阻为()。正确答案:C
A.10Ω B.100Ω C.0 D.1KΩ
127.FX2N系列可编程序控制器光电耦合器有效输入电平形式是()。正确答案:B
A、高电平 B、低电平 C、高电平或低电平 D、都是
128.M7130平面磨床控制线路中导线截面最粗的是()。正确答案:B
A、连接砂轮电动机M1的导线 B、连接电源开关QS1的导线
C、连接电磁吸盘YH的导线 D、连接转换开关QS2的导线
129.软启动器中晶闸管调压电路采用()时,主电路中电流谐波最小。正确答案:A
A、三相全控Y连接 B、三相全控Y0连接
C、三相半控Y连接 D、星三角连接
130.以下属于多台电动机顺序控制的线路是()。正确答案:C
A、Y-△启动控制线路
B、一台电动机正转时不能立即反转的控制线路
C、一台电动机启动后另一台电动机才能启动的控制线器
D、两处都能控制电动机启动和停止的控制线路
131.C6150车床()的正反转控制线路具有接触器互锁功能。正确答案:B
A、冷却液电动机 B、主轴电动机
C、快速移动电动机 D、润滑油泵电动机
132.FX编程器的显示内容包括地址、数据、()、指令执行情况和系统工作状态等。正确答案:C
A、程序 B、参数 C、工作方式 D、位移储存器
133.BK系列控制变压器通常用作机床控制电器局部()及指示的电源之用。正确答案:A
A、照明灯 B、电动机 C、油泵 D、压缩机
134.软启动器具有轻载节能运行功能的关键在于()。正确答案:A
A、选择最佳电压来降低气隙磁通 B、选择最佳电流来降低气隙磁通
C、提高电压来降低气隙磁通 D、降低电压来降低气隙磁通
135.软启动器旁路接触器必须与软启动器的输入和输出端一一对应接正确,()。正确答案:C
A、要就近安装接线 B、允许变换相序
C、不允许变换相序 D、要做好标识
136.FX2N可编程序控制器DC 24V输出电源,可以为()供电。正确答案:D
A、电磁阀 B、交流接触器 C、负载 D、光电传感器
137.音频集成功率放大器的电源电压一般为()伏。正确答案:C
A、5 B、10 C、5-8 D、6
138.位置控制就是利用生产机械运动部件上的挡铁与()碰撞来控制电动机的工作状态。正确答案:B
A、断路器 B、位置开关 C、按钮 D、接触器
139.同步电动机采用异步启动法启动时,转子励磁绕组应该()。正确答案:B
A、接到规定的直流电源 B、串入一定的电阻后短接 C、开路 D、短路
140.软磁材料的主要分类有()、金属软磁材料、其它软磁材料。正确答案:C
A、不锈钢 B、铜合金 C、铁氧体软磁材料 D、铝合金
141.FX2N系列可编程序控制器计数器用()表示。正确答案:D
A、X B、Y C、T D、C
142.变频器输出侧技术数据中()是用户选择变频器容量时的主要依据。正确答案:A
A、额定输出电流 B、额定输出电压 C、输出频率范围 D、配用电动机容量
143.三相异步电动机能耗制动的控制线路至少需要()个接触器。正确答案:B
A、1 B、2 C、3 D、4
144.作为一名工作认真负责的员工,应该是(D)
A、领导说什么就做什么 B、领导亲自安排的工作认真做,其他工作可以马虎一点
C、面上的工作要做仔细一些,看不到的工作可以快一些 D.工作不分天小,都要认真去做
145.企业员工在生产经营活动中,不符合团结合作要求的是(C)
A、真诚相待,一视同仁 B、互相借鉴,取长补短 C、男女有序,尊卑有别 D、男女平等,友爱亲善
146.劳动者的基本义务包括(A)等。
A、执行劳动安全卫生规程 B、超额完成工作 C、休息 D、休假
147.(A)是企业诚实守信的内在要求。
A、维护企业信誉 B、增加职工福利 C、注重经济效益 D、开展员工培训
148采用热装法安装滚动轴承时,首先将轴承放在油锅里煮,轴承约煮(C)
A、2min B、3~5mi C、5~10m D、15min
149.直流电动机转速不正常的故障原因主要有(D)等。
A、换向器表面有油污 B、接线错误 C、无励磁电流 D、励磁绕组有短路
150.直流电动机因电刷牌号不相符导致电刷下火花过大时,应更换(C)的电刷。
A、高于原规格 B、低于原规格 C、原牌号 D、任意
151.当直导体和磁场垂直时,与直导体在磁场中的有效长度、所在位置的磁感应强度成(C)
A、相等 B、相反 C、正比 D、反比
152.三相异步电动机的位置控制电路中,除了用行程开关外,还可用(D)
A、断路器 B、速度继电器 C、热继电器 D、光电传感器
153.下列不属于位置控制线路的是(A)
A、走廊照明灯的两处控制电路 B、龙门刨床的自动往返控制电路 C、电梯的开关门电路 D、工厂车间里行车的终点保护电路
154.三相异步电动机的反接制动过程可用(D)来控制。
A、电压继电器 B、电流继电器 C、时间继电器 D、速度继电器
155.直流电动机的单波绕组中,要求两只相连接的元件边相距约为(B)极距。
A、一倍 B、两倍 C、三倍 D、五倍
156.三相异步电动机的各种电气制动方法中,能量损耗最多的是(A)
A、反接制动 B、能耗制动 C、回馈制动 D、再生制动
157.当线圈中的磁通减小时,感应电流产生的磁通与原磁通方向(D)
A、正比 B、反比 C、相反 D、相同
158.直流电动机的转子由电枢铁心,电枢绕组、(D)、转轴等组成。
A、接线盒 B、换向极 C、主磁极 D、换向器
159.直流电动机只将励磁绕组两头反接时,电动机的(C)
A、转速下降 B、转速上升 C、转向反转 D、转向不变
160.BK系列控制变压器适用于机械设备中一般电器的(C)、局部照明及指示电源
A、电动机 B、油泵 C、控制电源 D、压缩机
161.用示波器测量脉冲信号时,在测量脉冲上升时间和下降时间时,根据定义应从脉冲幅度的10%和(D)处作为起始和终止的基准点
A、20% B、30% C、50% D、90%
162.读图的基本步骤有:看图样说明,(B),看安装接线图。
A、看主电路 B、看电路图 C、看辅助电路 D、看交流电话
163.差动放大电路能放大(D)
A、直流信号 B、交流信号 C、共模信号 D、差模模信号
164.晶体管特性图示仪零电流开关的作用是测试管子的(B)。
A、击穿电压、导通电流 B、击穿电压、穿透电 C、反偏电压、穿透电流 D、反偏电压、导通电流
165.收音机发出的交流声属于(C)
A、机械噪声 B、气体动力噪声 C、电磁噪声 D、电力噪音
166.直流双臂电桥适用于测量(B的电阻。
A、0.1Ω以下 B、1Ω以下 C、10Ω以下 D、100Ω以下
167.若干电阻(A)后的等效电阻比每个电阻值大。
A、串联 B、混联 C、并联 D、星三角形
168.电功的常用实用的单位有(C)
A、焦耳 B、伏安 C、度 D、瓦
169.短时工作制的停歇时间不足以使导线、电缆冷却到环境温度时,导线、电缆的允许电流按(C)确定
A、反复短时工作制 B、短时工作制 C、长期工作制 D、反复长时工作制
170.(D)的一端连在电路中的一点,另一端也同时连在另一点,使每个电阻两端都承受相同的电压,这种联结方式叫电阻的并联
A、两个相同电阻 B、一大一小电阻 C、几个相同大小的电阻 D、几个电阻
171.点接触型二极管可工作于(A)电路。
A、高频 B、低频 C、中频 D、全频
172.符合有“1”得“1”,全“0”得“0”的透辑关系的逻辑门是(A)
A、或门 B、与门 C、非门 D、与非门
173.一只100A的双向晶管可以用两只(D)的普通晶闸管反并联来替代。
A、100A B、90A C、50A D、45A
174.(C)用于表示差动放大电路性能的高低。
A、电压放大倍数 B、功率 C、共模抑制比 D、输出电阻
175.RC选频振荡电路,能产生电路振荡的放大电路的放大倍数至少为(B)
A、10 B、3 C、5 D、20
176.对于晶闸管输出型可编程序控制器其所带负载只能是额定(A)电源供电
A、交流 B、直流 C、交流或直流 D、低压直流
177.如图所示为(D)符号。

A、开关二极管 B、整流二极管 C、稳压二极管 D、变容二极管
178.双向晶闸管的额定电流是用(A)来表示的。
A、有效值 B、最大值 C、平均值 D、最小值
179.固定偏置共射放大电路出现饱和失真,是(A)
A、RB偏小 B、RB偏大 C、RC偏小 D、RC偏大
180.下列集成运放的应用能将矩形波变为三角波的是(C)
A、比例应用 B、加法应用 C、积分应用 D、比较器
181.CW78L05型三端集成稳压器件的输出电压及最大输出电流分别为(B)
A、5V、 1A B、5V、0.1A C、5V、0.5A D、5V、 1.5A
182.可编程控制器在STOP模式下,不执行(D)
A、输出采样 B、输入采样 C、用户程序 D、输出刷新
183.(D)是PLC主机的技术性能范围。
A、行程开关 B、光电传感器 C、温度传感器 D、内部标志位
184.FX2N可编程序控制器DC输入型,输入电压额定值为(B)
A、AC 24V B、DC 24V C、AC 12V D、DC 36V
185.FX2N系列可编程序控制器中回路并联连接用(D)指令。
A、AND B、ANI C、ANB D、ORB
186.PLC 梯形图编程时,右端输出继电器的线圈只能并联(D)个
A、三 B、二 C、一 D、不限
187.PLC编程时,子程序可以有(A)个
A、无限 B、三 C、二 D、一
188.(B)是可编程序控制器使用较广的编程方式。
A、功能表图 B、梯形图 C、位置图 D、逻辑图
189.在FX2NPLC中,(D)是积算定时器。
A、TO B、T100 C、T245 D、T255
190.FX2NPLC的通信口是(C)模式。
A、 RS232 B、RS485 C、RS422 D、USB
191.PLC编程软件通过计算机,可以对PLC实施(D)
A、编程 B、运行控制 C、监控 D、以上都是
192.PLC控制程序,由(C)部分构成。
A、一 B、二 C、三 D、无线
193.PLC在程序执行阶段,输入信号的改变会在(B)归描周期读入。
A、下一个 B、当前 C、下两个 D、下三个
194.对于简单的PLC梯形图设计时,一般采用(C)
A、子程序 B、顺序控制设计法 C、经验法 D、中断程序
195.FX编程器的显示内容包括地址、数据、(C)、指令执行情况和系统工作状态等。
A、程序 B、参数 C、工作方式 D、位移储存器
196.选用接近开关时应注意对工作电压负载电流、响应频率、(A)等各项指标的要求。
A、检测距离 B、检测功率 C、检测电流 D、工作速度
197.磁性开关可以由(D)构成。
A、接触器和按钮 B、二极管和电磁铁 C、三极管和永久磁铁 D、永久磁铁和干簧管
198.磁性开关中的干簧管是利用(A)米控制的一种开关元件。
A、磁场信号 B、压力信号 C、温度信号 D、电流信号
199.变频器输出侧技术数据中(A)是用户选择变频器容量时的主要依据。
A、额定输出电流 B、额定输出电压 C、输出频率范围 D、配用电动机容量
200.变频器常见的频率给定方式主要有操作器健盘给定、控制输入端给定、模拟信号给定、及通信方式给定等,来自PLC控制系统的给
定不采用(A)方式。
A、键盘给定 B、控制输入端给定 C、模拟信号给定 D、通信方式给定
201.变频调速时电压补偿过大会出现(A)情况。
A、负载轻时,电流过大 B、负载轻时,电流过小 C、电机转矩过小,难以启动 D、负载重时,不能能带动负载
202.变频器的干扰有:电源干扰、地线干扰、串扰、公共阻抗干扰等。尽量缩短电源线和地线是竭力避免(D)
A、电源干扰 B、地线干扰 C、串扰 D、公共阻抗干扰
203.变频器中的直流制动是克服低速爬行现象而设置的,拖动负载惯性越大,(A)设定值越高。
A、直流制动电压 B、直流制动时间 C、直流制动电流 D、制动起始频率
204.交流电动机最佳的启动效果是:(C)
A、启动电流越小越好 B、启动电流越大越好 C、(可调)恒流启动 D、(可调)恒压启动
205.软启动器在(C)下,一台软启动器才有可能启动多台电动机。
A、跨越运行模式 B、节能运行模式 C、接触器旁路运行模式 D、调压调速运行模式
206.接地体制作完成后,应将接地体垂直打入土壤中,至少打入(B)接地体,接地体之间相距5m。
A、2根 B、3根 C、4根 D、5根
207.各种绝缘材料的机械强度的各种指标是(D)等各种强度指标。
A、抗张、抗压、抗弯 B、抗剪、抗撕、抗冲击 C、抗张、抗压 D、含A,B两项
208.一对称三相负载,先后用两种接法接入同一电源中,则三角形联结时的有功功率等于星形联结时的(A)倍‘’
A、3 B、√3 C、√2 D、1
209.熔断器的额定电压应(D)线路的工作电压。
A、远大于 B、不等于 C、小于等于 D、大于等于
210.位置控制就是利用生产机械运动部件上的挡铁与(B)碰撞来控制电动机的工作状态。
A、断路器 B、位置开关 C、按钮 D、接触器
211.在MGB1420万能磨床的中,该系统的工件电动机的转速为C)
A、0~1100r/min B、0~1900r/min C、0~2300r/min D、0~2500r/min
212.M7130平面磨床的主电路中有三台电动机,使用了(D)热继电器。
A、三个 B、四个 C、一个 D、两个
213.C6150车床的4台电动机中,配线最粗的是(C)。
A、快速移动电动机 B、冷却液电动机 C、主轴电动机 D、润滑泵电动机
214.X6132型万能铣床电气控制板制作前,应准备电工工具一套,钻孔工具一套包括手枪钻、钻头及(D)等。
A、螺丝刀 B、电工刀 C、台钻 D、丝锥
215.在MGB1420万能磨床晶闸管直流调速系统控制回路的辅助环节中,R29、R36、R38组成(B)。
A、积分校正环节 B、电压负反馈电路 C、电压微分负反馈环节 D、电流负反馈电路
216.直流电动机因电刷牌号不相符导致电刷下火花过大时,应更换(C)的电刷。
A、高于原规格 B、低于原规格 C、原牌号 D、任意
217.20/5t桥式起重机零位校验时,把凸轮控制器置“零位。短接KM线圈,用万用表测量L1-L3。当按下启动按钮SB时应为(A)
状态
A、导通 B、断开 C、先导通后断开 D、先断开后导通
218.20/5t桥式起重机安装前应准备好常用仪表,主要包括(D)
A、试电笔 B、直流双臂电桥 C、直流单臂电桥 D、转速表
219.同一照明方式的不同支线可共管敷设,但一根管内的导线数不宜超过(C)。
A、4根 B、6根 C、8根 D、10根
220.X6132型万能铣床电动机的安装,一般采用起吊装置,先将电动机(D)吊起至中心高度并与安装孔对正,再将电动机与齿轮连接件
啮合,对准电动机安装孔,旋紧螺栓,最后撤去起吊装置。
A、垂直 B、倾斜30° C、倾斜 45° D、水平
221.光电开关的接收器根据所接收到的光线强弱对目标物体实现探测,产生(A)
A、开关信号 B、压力信号 C、警示信号 D、频率信号
222.起重机轨道的连接包括同一根轨道上接头处的连接和两根轨道之间的连接。两根轨道之间的连接通常采用(D)扁钢或中10mm
以上的圆钢。
A、10mmX1mm B、20mm×2mm C、25mm×2mm D、30mmX3mm
223.橡胶软电缆供、馈电线路采用拖缆安装方式,该结构两端的钢支架采用50mm×50mm×5mm角钢或槽钢焊制而成,并通过(A)固
定在桥架上。
A、底脚 B、钢管 C、角钢 D、扁扇铁
224、企业生产经营活动中,要求员工遵纪守法是(B)。
A、约束人的体现 B、保证经济活动正常进行所决定的 C、领导者人为的规定 D、追求利益的体现
225.对待职业和岗位,(D)并不是爱岗敬业所要求的。
A、树立职业理想 B、干一行爱一行专一行 C、遵守企业的规章制度 D、一职定终身,不改行
226.在日常接待工作中,对持不同服务对象,态度应真诚热情、(C)。
A、尊卑有别 B、女士优先 C、一视同仁 D、外宾优先
227.(A)是企业诚实守值的内在要求。
A、维护企业信誉 B、增加职工福利 C、注重经济效益 D、开展员工培训
228.同步电动机采用异步启动法启动时,转子励磁绕组应该(B)。
A、接到规定的直流电源 B、串入一定的电阻后短接 C、开路 D、短路
229.软磁材料的主要分类有(C)、金属软磁材料、其它软磁材料。
A、不锈钢 B、铜合金 C、铁氧体软磁材料 D、铝合金
230.直流电动机接照励磁方式可分他励、并励、串励和(D)四类。
A、接励 B、混励 C、自励 D、复励
231.三相绕线转子异步电动机转子电刷短接时,负载启动力矩不超过额定力矩50%时,按转子额定电流的(A)选择截面。
A、35% B、50% C、60% D、70%
232.三相同步电动机可采用的启动方法是(C)。
A、转子串三级电阻启动 B、转子串频敏变阻器启动 C、变频启动法 D、Y-∆启动法
233.将变压器的一次侧绕组接交流电源,二次侧绕组的电流大于额定值,这种运行方式称为(B)运行。
A、空载 B、过载 C、满载 D、轻载
234.三相异步电动机的定子绕组中通入三相对称交流电,产生(C)。
A、恒定磁场 B、脉振磁场 C、旋转磁场 D、交变磁场
235、三相异步电动机能耗制动的过程可用(C)来控制。
A、电流继电器 B、电压继电器 C、时间继电器 D、热继电器
236.三相异步电动机的位置控制电路中,除了用行程开关外,还可用(D)。
A、断路器 B、速度继电器 C、热维电器 D、光电传感器
237.直流接触器一般用于控制(C)的负载。
A、弱点 B、无线电 C、直流电 D、交流电
238.BK系列控制变压器通常用作机床控制电器局部(A)及指示的电源之用。
A、照明灯 B、电动机 C、油泵 D、压缩机
239.并励直流电动机的励磁绕组与(A)并联。
A、电枢绕组 B、换向绕组 C、补偿绕组 D、稳定绕组
240.三相绕线转子异步电动机转子串频敏变阻器启动与串电阻分级启动相比,控制线路(A)。
A、比较简单 B、比较复杂 C、只能手动控制 D、只能自动控制
241.电工指示仪表在使用时,通常根据仪表的准确度等级来决定用途,如(D)级仪表常用于工程测量。
A、0.1级 B、0.5级 C、1.5级 D、2.5级
242.电容器上标注的符号224表示其容量为22×104(D)。
A、F B、μF C、mF D、pF
243.钳形电流表每次测量只能钳入一根导线,并将导线置于钳口(C),以提高测量准确性。
A、上部 B、下部 C、中央 D、任意位置
244、用示波器测量脉冲信号时,在测量脉冲上升时间和下降时间时,根据定义应从脉冲幅度的10%和(D)处作为起始和终止的基准点。
A、20% B、30% C、50% D、90%
245.晶体管毫伏表测试频率范围一般为()。
A、5Hz~20MHz B、1Hz~10MHz C、500Hz~20MHz D、100HZ~10MHz
246.用万用表测量晶闸管门极和阴极之间正向阻值时,一般反向电阻比正向电阻大,正向(A),反向数百欧姆以上。
A、几十欧姆以下 B、几百欧姆以下 C、几千欧姆以下 D、几十千欧姆以下
247.示波器的x轴通道对被测信号进行处理,然后加到示波管的(A)偏转板上。
A、水平 B、垂直 C、偏上 D、偏下
248.晶体管特性图示仪零电流开关的作用是测试管子的(B)。
A、击穿电压、导通电流 B、击穿电压、穿透电流 C、反偏电压、穿透电流 D、反偏电压、导通电流
249.多级放大电路之间,常用共集电极放大电路,是利用其(C)特性。
A、输入电阻大、输出电阻大 B、输入电阻小、输出电阻大 C、输入电阻大、输出电阻小 D、输入电阻小、输出电阻小
250.(D)触发电路输出尖脉冲。
A、交流变频 B、脉冲变压器 C、集成 D、单结晶体管
251.千分尺测微杆的螺距为(C),它装入固定套简的螺孔中。
A、0.6mm B、0.8mm C、0.5mm D、1mm
252.正弦量有效值与最大值之间的关系,正确的是(A)。
A、E=Em/√2 B、U=Um/2 C、Iav=2/π/ *Em D、Eav= Em/2
253.(C)反映了在不含电源的一段电路中,电流与这段电路两端的电压及电阻的关系。
A、欧姆定律 B、楞次定律 C、部分电路欧姆定律 D、全欧姆定律
254.分压式偏置共射放大电路,稳定工作点效果受(C)影响。
A、RC B、RB C、RE D、Uc
255.要稳定输出电流,增大电路输入电阻应选用(C)负反馈。
A、电压串联 B、电压并联 C、电流串联 D、电流并联
256.单相半波可控整流电路的电源电压为220V,晶闸管的额定电压要留2倍裕量,则需选购(D)的晶闸管。
A、250V C、500V B、300V D、700V
257.晶闸管两端(C)的目的是实现过压保护。
A、串联快速熔断器 B、并联快速熔断器 C、并联压敏电阻 D、串联压敏电阻
258.符合有“0”得“1”,全“1”得“0”的逻辑关系的逻辑门是(D)。
A、或门 B、与门 C、非门 D、与非门
259.固定偏置共射极放大电路,已知RB=300KΩ,Rc=4KΩ,Vcc=12V,β=50,则ICQ为(C)。
A、2µA B、3µA C、2mA D、3mA
260.RC选频振荡电路,能产生电路振荡的放大电路的放大倍数至少为(B)。
A、10 B、3 C、5 D、20
261.LC选频振荡电路达到谐振时,选频电路的相位移为(A)度。
A、10 B、90 C、180 D、-90
262.高频振荡电感型接近开关主要由感应头、振荡器、开关器、(A)等组成。
A、输出电路 B、继电器 C、发光二极管 D、光电三极管
263.当检测体为(D)时,应选用电容型接近开关。
A、透明材料 B、不透明材料 C、金属材料 D、非金属材料
264.选用接近开关时应注意对工作电压、负载电流、响应频率、(A)等各项指标的要求。
A、检测距离 B、检测功率 C、检测电流 D、工作速度
265.PLC梯形图编程时,右端输出继电器的线圈能并联(B)个。
A、一 B、不限 C、0 D、二
266.可编程序控制器停止时,(A)阶段停止执行。
A、程序执行 B、存储器刷新 C、传感器采样 D、输入采样
267.FX2N系列可编程序控制器光电耦合器有效输入电平形式是(B)。
A、高电平 B、低电平 C、高电平或低电平 D、以上都是
268.可编程序控制器在硬件设计方面采用了一系列措施,如对干扰的(A)。
A、屏蔽、隔离和滤波 B、屏敲和滤波 C、屏蔽和隔离 D、隔离和滤波
269.永久磁铁和(B)可以构成磁性开关。
A、继电器 B、干簧管 C、二极管 D、三极管
270.可编程序控制器的接地线截面一般大于(C)。
A、1mm2 B、1.5mm2 C、2mm2 D、2.5mm2
271.PLC外部环境检查时,当湿度过大时应考虑装(C)。
A、风扇 B、加热器 C、空调 D、除尘器
272.FX2N系列可编程序控制器用户程序存储在(C)中。
A、RAM B、ROM C、EEPROM D、以上都有
273.可编程序控制器采用了一系列可靠性设计,如(C)、掉电保护、故障诊断和信息保护及恢复等。
A、简单设计 B、简化设计 C、冗余设计 D、功能设计
274、可编程序控制器通过编程,灵活地改变其控制程序,相当于改变了继电器控制的(D)。
A、主电路 B、自锁电路 C、互锁电路 D、控制电路
275.光电开关可以非接触、(D)地迅速检测和控制各种固体、液体、透明体、黑体、柔软体、烟雾等物质的状态。
A、高亮度 B、小电流 C、大力矩 D、无损伤
276.光电开关的配线不能与(C)放在同一配线管或线槽内。
A、光纤线 B、网络线 C、动力线 D、电话线
277.若反馈到输入端的是交流量,称为(C),它能改善交流电路的性能。
A、正反馈 B、负反馈 C、交流反馈 D、直流反馈
278.增量式光电编码器用于精度要求不高的测量时要选用旋转一周对应(C)的器件。
A、电流较大 B、电压较高 C、脉冲数较少 D、脉冲数较多
279.变频器在额定频率以下变频时是把电压。频率固定的交流电变换成(A)可调的交流电的操器
A、电压、频率 B、电流、频率 C、电压、电流D相位、频率
280.交一交变频装置输出频率受限制,最高频率不超过电网频率的(A),所以通常只适用于低速大功率拖动系统。
A、1/2 B、3/4 C、1/5 D、2/3
281.在SPWM逆变器中主电路开关器件较多采用(B)。
A、普通品闸管 B.IGBT C.GTO D、MCT
282.FR-A700系列是三菱(A)变频器。
A、多功能高性能 B、经济型高性能 C、水泵和风机专用型D、节能型轻负载
283.变频器中的直流制动是克服低速爬行现象而设置的,拖动负载惯性越大,(A)设定值越高。
A、直流制动电压 B、直流制动时间 C、直流制动电流D制动起始频率
284.凝露的干燥是为了防止因潮湿而降低软启动器的(C),及其可能造成的危害。
A、使用效率 B、绝缘等级C、散热效果 D、接触不良
285.游标卡尺测量前应清理干净,并将两量爪合并,检查游标卡尺的(C)
A、贴合情况 B、松紧情况 C、精度情况 D、平行情况
286.拧缧钉时应该选用(A)。
A、规格一致的螺丝刀 B、规格大一号的螺丝刀,省力气 C、规格小一号的螺丝刀,效率高 D、全金属的螺丝刀,防触电
287.变化的磁场能够在导体中产生感应电动势,这种现象叫(A)。
A、电磁感应 B、电磁感应强度 C、磁导率 D磁场强度
288.单相桥式可控整流电路电阻性负载,品闸管中的电流平均值是象载的(A)倍。
A、0.5 B、1 C、2 D、0.25
289.根据机械与行程开关传力和位移关系选择合透的(D)
A、电流类型 B、电压等级 C、接线型式D头部型式
290.C6150车床主轴电动机只能正转不能反转时,应首先检修(B)
A、电源进线开关 B、按触器 KM1或KM2 C、三位置自动复位开关SA D控制变压器TC
291.以下属于多台电动机顺序控制的线路是(C)
A、Y-Δ启动控制线路 B、一台电动机正转时不能立即反转的控制线路
C一台电动机启动后另一台电动机才能启动的控制线路 D、两处都能控制电动机启动和停止的控制线路
292.M7130 平面磨床中砂轮电动机的热继电器动作的照因之一是(B)。
A、电源熔断器FUI烧断两个 B、砂轮进给量过大 C、液压泵电动机过载 D、接播器 x2 接触不良
293.Z3040摇臂钻床中摇臂不能夹紧的可能原因是(B)。
A、速度继电器位置不当 B、行程开关SQ3位置不当C、时间继电器定时不合适D主轴电动机故障
294.20/5t桥式起重机电线管路安装时,根据导载直径和根数选择电线管规格,用卡箍、螺钉紧固或(A)固定。
A、焊接方法 B、铁丝 C、硬导线 D、软导线
295.X6132型万能铣床线路导线与端子连接时。导线接入接线端子,首先根据实际需要剥切出连接长度,(A),然后,套上标号套管,再与接线端子可靠地连接。
A、除锈和清除杂物 B、测量接线长度 C、浸锡 D、恢复绝缘
296.X6132型万能铣床电气控制板制作的,应准备电工工具一套,钻孔工具一套包括手枪钻、(D)及丝锥等。
A、螺丝刀 8、电工开 C、台钻 D、钻头
297.下列污染形式中不属于生态破坏的是(D)。
A、森林破坏 B、水土毓失 C、水源枯竭 D、地面沉降
298.X6132型万能铣床主轴上刀换刀时,先将转换开关 SA2扳到断开位置确保主轴(D),然后再上刀换刀。
A、保持待命状态 B、断开电源 C、与电路可靠连接 D、不能旋转
299.在单相半波可控整流电路中,a越大,输出 Ud(B)。
A、越大 B、越小 C、不变 D、不一定
300.反复短时工作制的周期时间T(B),工作时间tg≤4min时,导线的允许电流有下述情况确定:截面小于6mm2的铜线,其允许电流按长期工作制计算。
A、≥5min B、≤10min C、≤12min D、≤4min
301.20/5t桥式起重机通电调试前的绝缘检查,应用500V兆欧表测量设备的绝缘电阻,要求该阻值不低于0.5MQ,潮湿天气不低于(A)。
A、0.25MΩ B、1MΩ C、1.5MΩ D、2MΩ
302.为了促进企业的规范化发展,需要发挥企业文化的(D)功能。
A、娱乐 B、主导 C、决策 D、自律
303.下列事项中属于办事公道的是(D)
A、顾全大局,一切听从上级 B、大公无私,拒绝亲戚求助C知人善任,努力培养知己 D、坚持原则,不计个人得失
304.下列关于動劳节儉的论述中,正确的选项是(B)
A、勤劳一定能使人致富B、勤劳节俭有利于企业持续发展C、新时代需要巧干,不要勤劳 D、新时代需要创造,不需要节俭
305.企业员工在生产经营活动中,不符合平等尊重要求的是(C)
A、真诚相特,一视同仁B、互相借鉴,取长补短C、男女有序,尊卑有别 D、男女平等,友爱亲善
306.企业创新要求员工努力做到(C)
A、不能墨守成规,但也不能标新立异 B、大胆地破除现有的结论,自创理论体系
C、大胆地试大胆地闯,取于提出新问题 D、激发人的灵感,遏制种动和情感
307.在电源内部由负极指向正极,从(D)
A、高电位指向高电位 B、低电位指向低电位C高电位指向低电位 D、低电位指向高电位
308.电容器串联时每个电容器上的电荷量(B)
A、之和 B、相等 C、倒数之和 D、成反比
309.穿越线圈回路的磁通发生变化,线圈两端就产生(D)
A、电磁感应 B、感应电动势 C、磁场 D、电磁感应强度
310.当ωt=360°时,I、I、I分别为(D)
A、负值、正值、0 B、0、正值、负值 C、负值、0、正值 D、0、负值、正值
311.导通后二极管两端电压变化很小,储管约为(C
A、0.5v B、0.7v C、0.3v D、0.1V
312.在图中所示放大电路,已知Ucc=6v、Rc=2KΩ、RB=200KΩ、β=50。放大电路的静态工作点为(A)
A、30μA B、1.5mA C、3mA D、1mA
313.Y-D降压启动的指电动机启动时,把定子绕组联结成Y形,以降低启动电压,限制电流。待电动机启动后,再把定子绕组改成(D)使电动机全压运行,
A. YY B、Y形 C、DD 形 D、D 形
314.游标卡尺(D)应理干净,并将两量爪合并,检标卡尺的料度情况
A、测量后 B测量时 C、测量中 D、测量前
315.若被测电流超过测量机构的允许值,就需要在表头上(D)一个称为分流器的低值电阻
A、正接 B、反接 C、串联 D、并联
316.下列电磁污染形式不属于人为的电污染的是(D)
A、脉冲电 B、电磁场 C、射频电磁污染 D、地震
317.下列控割声音传播的措施中(D)不属于个人防护措施。
A、使用耳塞 B、使用耳罩 C、使用耳棉 D、使用隔声罩
318.岗位的质量要求,通常包括操作程序,工作内容,工艺规程及(C)等。
A、工作计划 B、工作目的 C、参数控制 D、工作重点
319.劳动者基本权利包括(D)等
A、完成劳动任务 B、提高生活水平 C执行劳动安全卫生规程 D、享有社会保险和福利
320.电工指示按仪表测量机构的结构和工作原理分,有(D)等。
A、直仪表和交流似表B电表和电压表C、磁电系仪表和电磁系仪表D安装式仪表和可携带式仪表
321.仪表的准确度等级的表示,是仪表在正常条件下的(B )的百分数。
A、系统误差 B、最大误差 C、偶然误差 D、疏失误差
322.作为电流或电压测量时,1.5级和2.5级的仪表容许使用(C)的互越器。
A、U.1级 B0.5级 C、1.0级 D、1.5 级
323.电子仪器按(D)可分为袖珍式、便携式、台式、架式、插件式等仪器。
A、功能 B、工作频段 C、工作原理 D、结构特点
324.X6132 型万能铣床启动主轴时,先接通电源,再把换向开关 SA3到主轴所需的旋转方向,然后按启动按钮 SB3 或 SB4 接通接触器 KM1,即可启动主轴电动机(A)。
A、M1 B、M2 C、M3 D、M4
325. X6132 型万能铣床进给运动时,升降台的上下运动和工作台的前后运动完全由操纵手柄通过行程开关来控制,其中,行程开关 s03用于控制工作台(D)和向下的运动。
A、向左 B、向右 C、向上 向前
326.X6132型万能铣床工作台的左右运动由操纵手柄来控制,其联动机构控制行程开关 SQ1和 SQ2,它分别控制工作台(D)运动。
A、向右及向上 B 、向右及向下C、向右及向后 D、向右及向左
327.X6132 型万能铣床工作台变换进给速度时,当蘑菇形平向前拉至极端位置且在反向推回之前借孔盘推动行程开关 SQ6,瞬时接通接触器(B),则进给电动机瞬时转动,使齿轮容易啮合。
A、KM1 B、KM2 C、KM4 D、KM5
328.X6132 型万能铣床主轴启动后,若将快速按钮 SB5 或SB6按下,接通接触器(B )线圈电源,接通 YC3快速离合器,并切断 YC2进给离合器,工作台按原运方向作快速移动。
h、KM1 B、KM2 C、KM3 D、KM4
329.在MGB1420万能磨床的自动循环工作电路系统中。通过微动开关 SQ1、SQ2,行程开关(A),万能转换开关SA4,时间继电器KT和电磁阀YT 与油路、机械方面配合实现磨削自动循环工作
A、SQ3 B、SQ4 C、SQ5 D、SQ6
330.MGB1420万能磨床品闸管直流调速系统控制回路的基本环中,V37为一级放大,(C)可看成是一个可变电阻。
A、V33 B、V34 C、V35 D、V37
331.直流电动机转速不正常的故障原因主要有(D)等
4、换向器表面有油污B接线错误 C、无励磁电速 D、励磁绕组接触不良
332.直流电动机因由于换向器片间云母凸出导致电刷下火花过大时,需换下片间云母,并对换向器进行槽边(C)。
A、调整压力 B、纠正位置 C、倒角,研磨 D、更换
333.直流电动机温升过高时,发现电枢绕组部分线圈接反,此时应(B)。
A、进行绕组重绕 B、检查后纠正接线 0、更换电枢绕组D、检查绕组绝缘
334.直流电动机滚动轴承发热的主要原因有(A)
A、传动带过紧 B、轴承变形 C电动机受潮 D、电刷位置不对
335.检查波形绕组开路故障时,在六极电动机里,换向器上应有(B)烧毁的黑点。
A、两个 B、三个 C、四个 D、五个
336.检查波形绕组短路故障时,在六极电动机电枢中,线圈两端是分接在相距(B)两片向片上的
A、二分之一 B、三分之一 C、四分之一 D、五分之一
337.车修换向器表面时,加工后换向器与轴的同轴不超过(A)
A、002-003m B、3--5min C、0.35--0.4mm D、0.4~0.45mm
338.采用热装法安装滚动轴承时,首先将轴承放在油锅里煮,轴承约煮(C)。
A、2min B、3~5min C、5~10min D、15min
339.在无换向器电动机常见故障中,出现了电动机进给有振动现象,这种现象属于(B)。
A、误报警故障 B、转子位置检测器故障 C、电磁制动故障 D、接线故障
340.电磁调速电动机校验和试车,拖动电动机一般可以全压启动,如果电源容量不足,可采用(C)作减压启动。
A、串电阻 B、星一三角 C、自耦变压器 D、延边三角形
341.交磁电机扩大机装配前检查换向器时,换向器与轴承挡的同轴度允差值应小于0.03mm,在旋转过程中,偏摆应小于(B)。A、0.03mm B、0.05mm C、0.09mm D、0.12mm
342.造成交磁电机扩大机空载电压很低或没有输出的主要原因有(A)
A、电枢绕组短路 B、换向绕组短路 C、补偿绕组过补偿 D、换向绕组接反
343.X6132型万能铣床主轴停车时没有制动,若主轴电磁离合器YCI两端无直流电压,则检查接触器(A)的常闭触点是否接触良好。
A、KM1 B、KM2 C、KM3 D. KM4
344.当X6132型万能铣床主轴电动机已启动,而进给电动机不能启动时,接触器KM3或KM42已吸合,进给电动机还不转,则应检查(D)
A、转换开关SA1是否有接触不良现象 B、接触器的联锁辅助触点是否接触不良
C、限位开关的触点接触是否良好 D、电动机M3的进线电压是否正需
345、MGB1420型磨床电气故障检修时,如果液压泵、冷知泵都不转动,则应检查熔断器FU1是否熔断再看接触器(A)是否吸合A、KM1 B、KM2 C、KM3 D、KM4
346、MGB1420型磨床控制回路电气故障检修时,自动循环磨削加工时不能自动停机,可能是行程开关(C)接触不良。
A、SQ1 B、SQ2 C、SQ3 D、SQ4
347、在测量额定电压为500v以上的电气设备的绝缘电阻时,应选用定电压为(C)的兆欧表。
A、500V B、1000v C、2500v D、2500V以上
348.在对称三相电路中,可采用一只单相功率表量三相无功功率,其实际三相功率是测量值乘以(B)
A、1 B、2 C、3 D、4
349.为了使图示仪的坐标尺度准确地反映电压或电流值,全机设有3个校正用关。按一个校正开关,屏幕上光点移动(C)就算校正正确。
A、2 格 B、5 格 C、10格 D、20 格
350.测速发电机可做校正元件。对于这类用途的测速发电机,可选用直流或异步测速发电机,其精度要求(B)。
A、任意 B、比较高 C、最高 D、最低
351.用快速熔断器时,一般按(B)来选择。A、IN=1.03IF, B、IN=1.57IF C、IN=2.57IF D、IN=3IF ,
352.X6132型万能铣床电气控制板制作前绝缘电阻低于(B),则必须进行烘干处理
A、0.3MΩ 3、0.5MΩ C、1.5MΩ D、4.5MΩ
353.X6132型万能铣床制作电气控制板时,应用厚(C)的钢板按要求裁剪出不同规格的控制板。
A、1mm B、1.5mm C、2.5mm D、4mm
354.X6132型万能铣床线路左、右侧配电箱控制板时,油漆干后,固定好接触器、(B)、熔断器、变压器、整流电源和端子等。A、电流继电器 B、热继电器 6、中间继电器 D、时间维电器
355.X6132型万能铣床线路采用沿板面敷设法敷线时,应采用(A)。
A、塑料绝缘单心硬铜线 B、塑料绝缘软铜线 C、裸导线 D、护套线
356.X6132型万能铣床线路导线与端子连接时,导线接入接线端子,首先根据实际需要剥切出连接长度,(A),然后,套上编号套管再与接线端子可靠地连接。
A、除锈和清除杂物 3、测量接线长度 C、浸锡 D、恢复绝缘
357.X6132型万能铣床限位开关安装前,应检查限位开关支架和(A)是否完好
A、撞块 B、动触头 C、静触头 D、弹箦
358.机床的电气连时,元器件上端子的接线用剥线钳剪切出适当长度,剥出接线头,(A),然后镀锡,套上号码套管,接到接线端子上用螺钉拧紧即可。
A、除锈 B、测量长度 C、整理线头 D清理线头
359.20/5t桥式起重机安装前检查各电器是否良好,其中括检查电动机、(A)、凸轮控制器及其他控制部件。
A、电磁制动器 B、过电流继电器 C、中间继电器 D、时间继电器
360.起重机轨道的连接包括同一根轨道上接头处的连接和两根轨道之间的连接。两根轨道之间的连接常采用30mmx3mm扁钢或(C)
以上的圆钢。
A、5mm B、ф8m C、ф10mm D、ф20mm
361.桥式起重机接地体:焊接时接触面的四周均要焊接,以(A)
A、增大焊接面积 B、使焊接部分更加美观 C、使焊接部分更加牢固 D、使焊点均匀
362.20/5t桥式起重机的电源线应接入安全供电滑触线导管的(c)上。
A、合金导体 B、银导体 C、铜导体 D、钢导体
363.起重机照明电源由380V电源电压经隔离变压器取得220V和36V,36V用于桥箱控制室内照明和(A)照明。
A、桥加上维修 B、桥下 C、桥箱内电风取扇 D、桥箱内电热取暖
364.20/5t桥式起重机连接线必须采用铜芯多股软线,采用多股单芯线,截面积不小于(B)
A、1mm2 B、1.5mm2 C、2.5mm2 D、6mm2
365.橡胶软电缆供、馈电线路采用拖缆安装方式,该结构两端的支架采用(D)角钢或槽钢焊制面成,并通过底角固定在桥架上。
A、20mmx20mx2mm B、30mmx30mmx3mm C、40mmx40mmx4mmD、50mmx50mmX5mm
366.干燥场所内暗敷时,一般采用管壁较薄的(B)。
A、硬塑料管 B、电线管 C、软塑料管 D、水煤气管
367、小容量晶体管电路要求(B),抗干扰能力强,稳定性好。
A、可靠性高 B、调速平滑 C、设计合理 D、适用性好
368.小容量晶体管调速器电路的主回路采用单相桥式半控整流电路,直接由(C)交流电源供电。
A、24V B、36V C、220V D、380V
369.小容量晶体管调速器电路中的电压负反馈环节由R16、R3,(A)组成。
A、RP6 B、R9 C、R16 D、R20
370.X6132万能铣床调试前,应首先检查主回路是否短路,断开变压器二次回路,用万用表(A)挡测量电源线与保护线之间是否短路。
A、Rx1ΩB、Rx10Ω CRx100Ω D、Rx1KΩ
371.X6132万能铣床主轴启动,如果主轴不转,检查电动机(A)控制回路,
A、M1 B、M2 C、M3 D、M4
372.X6132万能铣床主轴制动时,元件动作顺序为:SBN(或SB2)按钮动作一KM1、M1失电一KM1常闭触点闭合一(A)得电。
A、YC1 B、YC2 C、YC3 D、YC4
373.X6132万能铣床上主轴变速时主轴电动机的冲动控制中,元件动作顺序为SQ7动作→KM1动合触点闭合接通一电动机M1转动→(D)复位一KM1失电→电动机m1停止,冲动结束。
A、SQ1 B、SQ2 C、SQ3 D、SQ4
374.MGB1420万能磨床试车调试时,将SA1开关转到“试”的位置,中间继电器(A)接通电器RP6,调节电位器使转速达到200~300r/min将RP6封住。
A、KA1 B、KA2 C、KA3 D、KA4
375.MGB1420万能磨床中,电流截止负反馈电路调整,工件电动机的功率为0.55KW,额定电流为3A,将截止电流调至4.2A左右。把电动机转速调到(D)的范围内。
A、20--30r/min B、100~200r/min 0,200~300r/min D、700-800r/min
376.MGB1420万能磨床中,充电电阻R的大小是根据(A)及充电电容器C的大小来决定的。
A、晶闸管移相范围的要求B、晶闸管是否触发 C、晶闸管导通后是否关断 D、晶闸管是否过热
377.在MGB1420万能磨床中,温度补偿电阻一般选(C)左右。
A、100~150ΩB、200-~300ΩC、300~400ΩD、400~500Ω
378.20/5t桥式起重机零位校验时,把凸轮控制器置“零”位。短接KM线圈,用万用表测量L1-L3。当按下启动按SB时应为(A)状态。
A、导通 B、断开 C、先导通后断开 D、先断开后导通
379.20/5t桥式起重机主钩上升控制时,将控制手柄置于上升(C),确认KM3动作灵活。然后测试R13一R15间应短接,由此确认KM3可靠吸合。
A、第一档 B、第二档 C、第三档 D、第四档
380.20/5t桥式起重机主钩下降控制过程中,空载慢速下降,可以利用制动“2”挡配合强力下降(B)挡交替操纵实现控制。
A、“1” B、“3” C、“4 ” D、“5”
381.较复杂机械设备电气控制线路调试前,应准备的设备主要是指(C)。
A、交流调速装置 B、晶闸管开环系统 C、晶闸管双闭环调速直流拖动装置 D、晶闸管单闭环调速直流拖动装置
382.电气测绘前,先要了解原线路的(A)、控制顺序、控制方法和布线规律等
A、控制过程 B、工作原理 C、元件特点 D、工艺
383职道德通过(A),起着增强企业凝聚力的作用
A、协调员工之间的关系B增加职工福利C、为员工创造发展空间D、调节企业与社会的关系
384.正确阐述职业道德与人生事业的关系的选项是(D)。
A、没有职业道德的人,任何时刻都不会获得成功 B、具有较高的职业道德的人,任何时刻都会获得成功
C、事业成功的人往往并不需要较高的职业道德 D、职业道德是获得人生事业成功的重要条件
385.爱岗敬业的具体要求是(C)。
A、看效益决定是否爱岗 、转变择业观念 C、提高职业技能 D、增强把握择业的机遇意识
386。坚持办事公道,要努力做到(C)。
A、公私不分 B、有求必应 C、公正公平 D、全面公开
387.直流电动机转不正常的故障原因主要有(D)等
A、换向器表面有油污B、接线错误 C、无励磁电流 D、励磁绕组接触不良
388.交流电动机最佳的启动效果是:(C)
A、启动电流越小越好 B、启动电流越大越好 C(可调)恒流启动 D、(可调)恒压启动
389.三相异步电动机再生制动时,定子绕组中流过(C)。
A、高压电 B,直流电 C、三相交流电 D、单相交流电
390.直流电动机结构复杂、价格贵、制造麻烦、维护困难,但是(B)、调速范围大。
A、启动性能差 B、启动性能好 C、启动电流小D启动转矩小
391.检查波形绕组开路故障时,在六极电动机里,换向器上应有(B)烧毁的黑点。
A、两个 B、三个 C、四个 D、五个
392.较复杂机械设备开环调试时,应用示波器检查(B)与同步变压器二次侧相对相序、相位必须一致
A、脉冲变压器 B、整流变正器 C、旋转变压器 D、自耦变压器
393.测量额定电压500V以上的直流电动机的绝缘电时,应使用(B)绝缘电阻表:
A、500V B、1000V C、2500V D、3000V
394.车修换向器表面时,加工后换向器与轴的同轴度不超过(A)
A、0.02~0.03mm B、0.03--0.35mm C、0.35~~0.4mm D、0.4~0.45mm
395.三相异步电动机采用(C)时,能量消耗小,制动平稳。
A、发电制动 B、回馈制动 C、能耗制动 D、反接制动
396.三相两元件功率表常用于高压线路功率的测量,采用电压互感器和(B)以扩大量程。
A、电压互感器 B电流互感器C、并联分流电阻 D、串联附加电阻
397.直流电动机结构复杂、价格贵、制造麻烦,(C),但是启动性能好、调速范围人。
A、换向器大 B、换向器小 C、维护困难 D、维护容易
398.直淀电动机的各种制动方法中,能平稳停车的方法是(C)。
A、反接制动 B、回馈制动 C、能耗制动 D、再生制动
399.多台电动机的顺序控线路(A)
A、既包括顺序启动,又包括顺序停止B,不包括顺停止 C、不包括顺序启动 D、通过自锁环节来实现
400.电工指示仪表在使用时,通常根据仪表的准确度等级来决定用途,如 0.5级仪表常用于(B)。
A、标准表 B、实验室 C、工程测量 D、工业测量
401.用测量换向片间压降的方法检查电枢绕组对地短路故障时,用毫伏表依次测量相邻两换向片的压降,邻近对地短路点的片间压降会(A)。
A、方向相反 B、方向相同 C、为零 D、不确定
402.用表测量元件闸管阳极和阴极之间的正反向阻值时,优质元件在兆欧数量级,少则(D)。
A、几十欧以上 B、几百欧以上 C、几千欧以上 D、几百千欧以上
403.调节电桥平衡时,若检流计指针同标有“+”的方向偏转时,说明(A)。
A、通过检流电流大、应增大比较臂的电阻B、通过检流计电流小、应增大比较臂的电阻
C、通过流计电流小、应减小比较臂的电阻 D、通过检流计电流大、应减小比较警的电阻
404.钳形电流表按结构原理不同,可分为(B)和电磁式两种。
A、磁电式 B、互感器式 C、电动式 D、感应式
405.(B)适合现场工作且要用电池供电的示波器。
A、台式示波器 B、手持示波器 C、模拟示波器 D、数字示波器
406.晶体管毫伏表测试频率范围一般为(A)。
A、5Hz~-20MHz B、1KHz~10MHz C、500Hz~20MHzD、100Hz~10MHz
407.一般三端集成稳压电路工作时,要求输入电压比输出电压至少高(A)V。
A、2 B、3 C、4 D、1.5
408.直流电动机弱磁调速时,转速只能从额定转速(C)。
A、降低一倍 B、开始反转 C、往上升 D、往下降
409.电路的作用是实现能最的(B)和转换、信号的传递和处理。
A、连接 B、传输 C、控制 D、传送
410.收音机发出的交流声属于(C)。
A、机械噪声 B、气体动力噪声 C、电磁噪声 D、电力噪声
411.在单相半波可控整流电路中,电感LD电感量越大,电流在负半波流动的时间(B)
A、越短 B、越长 C、不变 D、变化不定
412.单管电压放大电路动态分析时的电压放大过程,放大电路在直流电源和交流信号的作用下,电路中电流和电压既有直流分量,又有交流分量,即在静态值的基础上叠加一个(D)
A、直流值 B、电阻值 C、电容值 D、交流值
413.固定偏置共射放大电路出现截止失真,是(B)。
A、RB偏小 B、RB偏大 C、RC偏小 D、RC偏大
414.要稳定输出电压,减少电路输入电阻应选用(B)负反馈
A、电压串联 B、电压并联 C电流串联 D、 电流并联
415.三端集成稳压电路78系列,其输出电流最大值为(D)A。
A、2 B、1 C、3 D、1.5
416.点接触型二极管可工作于(A)电路。
A、高频 8、低频 C、中频 D、全频
417.品闸管型号KP20-8中的P表示(C)。
A、电流 B、压力 C、普通 D、频率
418.共集电极放大电路具有(A)放大作用。
A、电流 B、电压 C功率 D、没有
419.单片集成功率放大器件的功率通常在(B广瓦左右。
A、10 B、1 C、5 D、8
420.串联型稳压电路的取样电路与负载的关系为(B)连接
A、串联 B、并联 3、混联 D、星型
421.磁开关中的干簧管利用(A)控制一种开关元件。
A、磁场信号 B、压力信号 C、温度信号 D、电流信号
422.磁性开关的图形符号中,其菱形部分与常开触点部分用(A)相连
A、虚线 B、实线 C、双虚线 D、双实线
423.西门子MM440变频器可通过USS串行接口来控制其启动、停止(命令信号源)及(A)。
A、频率输出大小 B、电机参数C、直流制动电流 D、制动起始频率
424.磁性开关用于强酸强碱场所时应选(A)的器件。
A、PP、PVDF 材质 B、金属材质 C、多层纸质 D、晶体材质
425.增量式光电编码器配线延长时,应在(D)以下。
A、1km B、100m C、1m D、10m
426.下列选项不是PLC的特点(D)
A、抗干扰能力强 B、编程方便 C、安装调试方便 D、功能单一
427.可编程序控制器采用大规模集成电路构成的微处理器和(C)来组成逻辑部分。
A、运算器 B、控制器 C、存储器 D、累加器
428.可编程序控制器(C)使用锂电池作为后备电池。
A、EEPROM B、ROM C、RAM D、都是
429.根据电动机顺序启动梯形图,下列指令正确的是(C)。
A、LDI T20 B、AND X001 C、OUT Y002 D、AND X002
430.计算机对PLC进行程序下载时,需要使用配套的(D)。
A、网络线 B、接地线 C、电源线 D、通信电缆
431.三菱GXDeveloper PLC编程软件可以对(D)PLC进行编程。
A、A 系列 B、Q系列 C、FX系列 D、以上都可以
432.将程序写入可编程序控制器时,首先将存储器清零,然后按操作说明写入(B)结束时用结束指令
A、地址 B、程序 C、指令 D、序号
433.对于晶体管输出型可编程序控制器其所带负载只能是额定(B)电源供电。
A、交流 B、直流 C、交流或直流 D、高压直流
434.FX2N系列可编程序控制器计数器用(D)表示。
A、X B、 Y C、T D、C
435.高频震荡电感型接近开关的感应头附近有金属物体接近时,接近开关(C)。
A、涡流损耗减少 B、震荡电路工作 C、有信号输出 D、无信号输出
436.接触开关又称无触点行程开关,因此在电路中的符号与行程开关(D)。
A、文字符号一样 B、图形符号一样 C、无区别 D、有区别
437.当检测体为(D)时,应选用电容型接近开关。
A、透明材料 B、不透明材料 C、金属材料 D、非金属材料
438.可编程序控制器系统是由(D)和程序存储器等组成。
A、基本单元、编程器、用户程序 B、基本单元、扩展单元、用户程序
C、基本单元、扩展单元、编程器 D、基本单元、扩展单元、编程器、用户程序
439.当检测体为金属材料时,应选用(A)接近开关。
A、高频震荡型 B、电容型 C、电阻型 D、阻抗型
440.在变频器的几种控制方式中,其动态性能比较的结论是(A)
A、转差型矢量控制系统优于无速度检测器的矢量控制系统 B、U/f控制优干转差频率控制
C、转差频率控制优于矢量控制 D、无速度检测器的失量控制系统优于转差型矢量控制系统
441.在变频器的输出侧切勿安装(A)。
A、移相电容 B、交流电抗器 C、噪声滤波器 D、测试仪表
442.变频器输出侧技术数据中(A)是用户选择变频器容量时的主要依据。
A、额定输出电流 B、额定输出电压 C、输出频率范围 D、配用电动机容量
443.西门子MM420变频器的主电路电源端子(C)需经交流接触器和保护用断器与三相电源接,但不宜采用主电路的通、断进行变频器的运行与停止操作。
A、X、Y、Z B、U、V、W C、L1、L2、L D、A、B、c
444.水泵停车时,软起动器应采用(B)
A、自由停车 B、软停车 c、能耗制动停车 D、反接制动停车
445.各种绝源材料的机械强度的各种指标是(D)等各种强度指标
A、抗张、抗压、抗弯B、抗剪、抗撕、抗冲击C、抗张,抗压 D、含 A,B 两项
446,拆卸交流接触器的一般步骤(D)
A、灭弧罩一主触头一辅助触头一动铁心一静铁心 B、灭弧罩一主触头一辅助触头一静铁心一动铁心
c、灭弧罩一辅助触头一动铁心一静铁心一主触头 D、灭弧罩一主触头一动铁心一静铁心一辅助触头
447.三相对称电源星型接法时的线电压比对应相电压(A)。
A、超前 30° B、超前 60° C、滞后30° D、滞后 60°
448.晶闸管电路中采用(D)的方法来实现过流保护。
A、接入电流继电器 B、接入热继电器 C、并联快速熔断器 D、串联快速熔断器
449.桥式起重机接地体的制作时,可选用专用接地体或用(D)角钢,截取长度为2.5m,其一端加工成尖状。
A、20mmx2mmx2mm 、30mmx30mmx3m c、40mx40mmX4mm D、50mmX50mmX5mm
450.Z3040招譬钻床中摇臂不能夹紧的可能原因是(D)。
A、行程开关SQ2安装位置不当 B、时间继电器定时不合适 C、主轴电动机故障 D、液压系统故障
451.X6132型万能铣床线路左、右侧配电箱控制板时,汕漆干后,固定好接触器、(B)、熔渐器、变压器、整流电源和端子等。
A、电流继电器 B、热继电器 C、中间继电器 D、时间继电器
452.MGB1420万能磨床电流截止负反馈电路调整,工件电动机的功率为0.55KW,额定电流为3A,将截止电流调至4.2A左右。把电动机转速调到(D)的范围内。
A、20~30r/min B、100~200r/min C、200~300r/min D、700~800r/min
453.橡胶软电缆供、馈电线路采用拖缆安装方式,该结构两端的钢支架采用50mmx50mmX5mm角钢或(A)焊制而成,并通过底脚固定在桥架上。
A、槽钢 B、钢管 C、角钢 D、扁铁
454.桥式起重机支架悬吊间距约为(B)。
A、0.5m B、1.5m C、2.5m D、5m
455.机床的电气连接时,所有接线应(A)。
A、连接可靠,不得松动 B、长度合适,不得松动 C、整齐,松紧适度 D、除锈,可以松动
456.干燥场所内明敷时,一般采用管壁较薄的(B)。
A、硬塑料管 B、电线管 C、软塑料管 D、水煤气管
457.20/5t桥式起重机安装前检查各电器是否良好,其中包括检查电动机、A)、凸轮控制器及其他控制部件
A、电磁制动器 B、过电流继电器 C、中间继电器 D、时间继电器
458.在MGB1420万能磨床中,充电电阻R的大小是根据晶闸管移相范围的要求及(A)来决定的。
A、充电电容器C的大小 B、晶闸管是否触发 C、晶闸管导通后是否关断D、晶闸管是否过热
459,按钮联锁正反转控制线路的优点是操作方便,缺点是容易产生电源两相短路事故。在实际工作中,经常采用(C)正反转控制线路。
A、按钮联锁 B、接触器联锁 C、按钮、接触器双重联锁 D、倒顺开关
460.测速发电机可以作为(C)。
A、电压元件 B、功率元件 C、解算元件 D、电流元件
461.为了保证桥式起重机有良好的接地状态,必须保证分段轨道接地可案,通常采用30mmx3mm扁钢或(c)以上的圆钢弯制成圆弧状,两端分别与两端轨道可靠地焊接。
A、ф5mm B、Ф8mm C、ф10mm D、ф2Omm
462.20/5t桥式起重机的移动小车上装有主副卷扬机、小车前后运动电动机及(D)等。
A、小车左右运动电动机 B、下降限位开关 C、断路开关 D、上升限位开关
463.企业生产经营活动中,要求员工遵纪守法是(B)。
A、约束人的体现 B、保证经济活动正常进行所决定的
C、领导者人为的规定 D、追求利益的体现
464.对待职业和岗位,(D)并不是爱岗敬业所要求的。
A、树立职业理想 B、干一行爱一行专一行
C、遵守企业的规章制度 D、一职定终身,不改行
465.在日常接待工作中,对持不同服务对象,态度应真诚热情、(C)。
A、尊卑有别 B、女上优先 C、一视同仁 D、外宾优先
466.(A)是企业诚实守值的内在要求。
A、维护企业信誉 B、增加职工福利 C、注重经济效益 D、开展员工培训
467.同步电动机采用异步启动法启动时,转子励磁绕组应该(B)。
A、接到规定的直流电源 B、串入一定的电阻后短接 C、开路 D、短路
468.软磁材料的主要分类有(C)、金属软磁材料、其它软磁材料。
A、不锈钢 B、铜合金 C、铁氧体软磁材料 D铝合金
469.直流电动机接照励磁方式可分他励、并励、串励和(D)四类。
A、接励 B、混励 C、自励 D、复励
470.三相绕线转子异步电动机转子电刷短接时,负载启动力矩不超过额定力矩50%时,按转子额定电流的(A)选择截面。
A、35% B、50% C、60% D、70%
471.三相同步电动机可采用的启动方法是(C)。
A、转子串三级电阻启动B转子变器启动 C、变频启动法 Y-△启动法
:472.将变压器的一次侧绕组接交流电源,二次侧绕组的电流大于额定值,这种运行方式称为(B)运行。
A、空载 B、过载 C、满载 D、轻载
473.三相异步电动机的定子绕组中通入三相对称交流电,产生(C)。
A、恒定磁场 B、脉振磁场 C、旋转磁场 D、交变磁场
474.三相异步电动机能耗制动的过程可用(C)来控制。
A、电流继电器 B、电压继电器 C、时间继电器 D、热继电器
475.三相异步电动机的位置控制电路中,除了用行程开关外,还可用(D)。
A、断路器 B、速度继电器 C、热继电器 D、光电传感器
476.直流接触器一般用于控制(C)的负载。
A、弱点 B、无线电 C、直流电 D、交流电
477.BK系列控制变压器通常用作机床控制电器局部(A)及指示的电源之用。
A、照明灯 B、电动机 C、油泵 D、压缩机
478.并励直流电动机的励磁绕组与(A)并联。
A、电枢绕组 B、换向绕组 C、补偿绕组 D、稳定绕组
479.三相绕线转子异步电动机转子串频敏变阻器启动与串电阻分级启动相比,控制线路(A)。
A、比较简单 B、比较复杂 C、只能手动控制 D、只能自动控制
480.电工指示仪表在使用时,通常根据仪表的准确度等级来决定用途,如(D)级仪表常用于工程测量。
A、0.I级 B、0.5 级 C、1.5级 D、2.5 级
481.电容器上标注的符号224表示其容量为22x104(D)。
A、F B、 uF C、mF D、pF
482.钳形电流表每次测量只能钳入一根导线,并将导线置于钳口((c),以提高测量准确性。
A.上部 B、下部 C、中央 D、任意位置
483.用示波器测量脉冲信号时,在测量脉冲上升时间和下降时间时,根据定义应从脉冲幅度的10%和(D)处作为起始和终止的基准点。
A、20% B、30% C、50% D、90%
484.晶体管毫伏表测试频率范围一般为(A)。
A、5Hz~20MHz B、1KHz-10MHz C、500Hz~20MHz D、100HZ~10MHz
485.用万用表测量品闸管门极和阴极之司正向阻值时,一股反向电阻比正向电阻大,正向(A),反向数百欧姆以上。
A、几十欧姆以下 B、几百欧姆以下C、几千欧姆以下D、几十千欧姆以下
486.示波器的X轴通道对被测信号进行处理,然后加到示波管的(A)偏转板上。
A、水平 B、垂直 c、偏上 D、偏下
487.晶体管特性图示仪零电速开关的作用是测试管子的(B)。
A、击穿电压、导通电流 B、击穿电压、穿透电流
C、反偏电压、穿透电流 D、反偏电压、导通电流
488.多级放大电路之间,常用共集电极放大电路,是利用其(C)特性。
A、输入电阻大、输出电阻大 B、输入电阻小、输出电阻大
C、输入电阻大、输山电阻小 D、输入电阻小、输出电阻小
489.(D)触发电路输出尖脉冲。
A、交流变频 B、脉冲变压器 C、集成 D、单结晶体管
490.千分尺测微杆的螺距为(c),它装入固定套简的螺孔中。
A、0.6mm B、0.8mm C、0.5mm D、1mm
491.正弦量有效值与最大值之间的关系,正确的是(A)。
A、E=Em/√2 B、U=Um/2 C、Iav=2/π/ *E D、Eav= Em/2
492.(C)反映了在不含电源的一段电路中,电流与这段电路两端的电压及电阻的关系
A、欧姆定律 B、楞次定律 C、部分电路欧姆定律 D、全欧姆定律
493.分压式偏置共射放大电路,稳定工作点效果受(C)影响。
A、Rc B、RB C、RE D、Ucc
494.要稳定输出电流,增大电路输入电阻应选用(C)负反馈。
A、电压串联 B、电压并联 C、电流串联 D、电流并联
495.单相半波可控整流电路的电源电压为220V,晶闸管的额定电压要留2倍裕量,则需选购(D)的晶闻管。
A、250V B、300V C、500V D、700V
496.晶闸管两端(C)的目的是实现过压保护
A、串联快速熔渐器 B、并联快速熔断器 C、并联压敏电阻 D、串联压敏电阻
497.符合有“O”得“1”,全“1”得“0”的逻辑关系的逻辑门是(D)
A、或门 B、与门 C、非门 D、与非门
498.固定偏置共射极放大电路,已知RB=300KΩ,Rc=4KΩ,Vcc=12v,β=50,则ICQ为(c)。
A、2μA B、3uA C、2mA D、3mA
499.RC选频振荡电路,能产生电路振荡的放大电路的放大倍数至少为(B)。
A、10 B、3 C、5 D、20
500.LC选频振荡电路达到谐振时,选频电路的相位移为(A)度。
A、10 B、90 C、180 D、-90
501.高频振荡电感型接近开关主要由感应头、振荡器、开关器、(A)等组成。
A、输出电路 B、继电器 C、发光二极管 D光电三极管
502.当检测体为(D)时,应选用电容型接近开关。
A、透明材料 B、不透明材料 C、金属材料 D、非金属材料
503.选用接近开关时应注意对工作电压、负载电流、响应频率、(A)等各项指标的要求。
A、检测距离 B、检测功率 C、检测电流 D、工作速度
504.PLC梯形图编程时,右端输出继电器的线圈能并联(B)个。
A、一 B、不限 C、0 D、二
505.可编程序控制器停止时,(A)阶段停止执行。
A、程序执行 B、存储器刷新 C、传感器采样 D、输入采样
506.FX2N系列可编程序控制器光电合器有效输入电平形式是(B)。
A、高电平 B、低电平 C、高电平或低电平 D、以上都是
507.可编程序控制器在硬件设计方面采用了一系列措施,如对干扰的(A)。
A、屏蔽、隔离和滤波 B、屏屏敲和滤波 C、屏蔽和隔离 D、隔离和滤波
508.永久磁铁和(B)可以构成磁性开关。
A、继电器 B、于簧管 C、二极管 D、三极管
509.可编程序控制器的接地线截面一般大于(C)。
A、lmm2 B、1.5mm2 C、2mm2 D、2.5mm2
510.PLC外部环境检查时,当湿度过大时应考虑装(C)。
A、风扇 B、加热器 C、空调 D、除尘器
511. FX2N系列可编程序控制器用户程序存储在(C)中。
A、RAM B、ROM C、EEPROM D、以上都有
512.可编程序控制器采用了一系列可靠性设计,如(C)、掉电保护、故障诊断和信息保护及恢复等。
A、简单设计 B、简化设计 C冗余设计 D、功能设计
513..可编程序控制器通过编程,灵活地改变其控制程序,相当于改变了继电器控制的( D
A、主电路 B、自锁电路 C、互锁电路 D、控制电路
514.光电开关可以非接触、(D)地迅速检测和控制各种固体、液体、透明体、黑体、柔软体、烟雾等物质的状态。
h、高亮度 B、小电流 C、大力矩 D、无损伤
515.光电开关的配线不能与(C)放在同一配线管或线槽内。
A、光纤线 B、网络线 C、动力线 D、电话线
516.若反馈到输入端的是交流量,称为(c),它能改善交流电路的性能。
A、正反馈 B、负反馈 C、交流反馈 D、直流反馈
517,增量式光电编码器用于精度要求不高的测量时要选用旋转一周对应(C)的器件。
A、电流较大 B、电压较高 C、脉冲数较少 D、脉冲教较多
518,变频器在额定频率以下变频时是把电压、频率固定的交流电变换成()可调的交流电的变换器。
A、电压、频率 B、电流、频率 C、电压、电流 D、相位、频率
519.交一交变频装置输出频率受限制,最高频率不超过电网频率的(A),所以通常只适用于低速大功率拖动系统。
A、1/2 B、3/4 C、1/5 D、2/3
520.在SPWM逆变器中主电路开关器件较多采用(B)
A、普通品闸管 B、IGBT C、GTO D、MCT
521.FR-A700系列是三菱(A)变频器
A、多功能高性能 B、经济型高性能 C、水泵和风机专用型 D、节能型轻负载
522.变频器中的直流制动是克服低速爬行现象面设置的,地动负载惯性越大,(A)设定值越高
A、直流制动电压B、直流制动时间 C、直流制动电流 D、制动起始频率
523.凝露的干燥是为了防止因潮湿而降低软启动器的(C) 及其可能造成的危害。
A、使用效率 B、绝缘等级 C、散热效果 D、接触不良
524.游标卡尺测量前应清理干净,并将两量爪合并,检查游标卡尺的(C)。
A、贴合情况 B、松紧情况 C、精度情况 D、平行情况
525.拧螺钉时应该选用(A)
A、规格一致的螺丝刀 B、规格大一号的螺丝刀,省力气
C、规格小一号的螺丝万,效率高 D、全金属的螺丝刀,防触电
526.变化的磁场能够在导体中产生感应电动势,这种现象叫(A)。
A、电磁感应 B、电磁感应强度 C、磁导率 D、磁场强度
527.单相桥式可控整流电路电阳性负载,晶闸管中的电流平均值是负载的(A)倍。
A、0.5 B、1 C、2 D、0.25
528,根据机械与行程开关传力和位移关系选择合适的(D)。
A、电流类型 B、电压等级 C、接线型式 D、头部型式
529.C6150车床主轴电动机只能正转不能反转时,应首先检修(B)。
A、电源进线开关 B、接触器KM1或KM2 C、三位置自动复位开关SA1 D、控制变压器 TC
530.以下属于多台电动机顺序控制的线路是(C)。
A、Y-△启动控制线路 B、一台电动机正转时不能立即反转的控制线路
c、一台电动机启动后另台电动机才能启动的控制线路 D、两处都能控制电动机启动和停止的控制线路
540.M7130平面磨床中砂轮电动机的热继电器动作的原因之一是(B)。
A、电源熔断器 FUI烧断两个 B、砂轮进给量过大 C、液压泵电动机过载 D、接插器X2 接触不良
550.73040摇臂钻床中摇臂不能夹紧的可能原因是(B)。
A、速度继电器位置不当B行程开关SQ3位置不C时间继电器定时不合适轴电动机故障
551.20/5t桥式起重机电线管路安装时,根据导线直径和根数选择电线管规格,用卡擅、螺钉紧固或(A)固定。
A、焊接方法 B、铁丝 C、硬导线 D、软导线
553.X6132型万能铣床电气控制板制作前,应准备电工工具一套,钻孔工具一套包括手枪钻、(D)及丝锥等。
A、螺丝刀 B、电工刀 C、台钻 1、钻头
554.下列污染形式中不属于生态破坏的是(D)。
A、森林破坏 B、水土流失 C、水源枯竭 D、地面沉降
555.X6132 型万能铣床主轴上刀换刀时,先将转换开关SA2 扳到断开位置确保电轴(D),然后再上刀换刀。
A、保持待命状态B断开电源 C、与电路可靠连接 D、不能旋转
556.在单相半波可控整流电路中,a越大,输出Ud(B)。
A、越大 B、越小 C、不变 D、不一定
557.反复短时工作制的周期时间T(B),工作时间tg≤4min时,导线的允许电流有下述情况确定:截面小于6Mm2
的铜线,其允许电流按长期工作制计算。
A、>5min B、≤10min C、≤1min D、≤4min
558.20/5t 桥式起重机通电调试前的绝缘检查,应用 500y兆欧表测量设备的绝缘电阻,要求该阻值不低于0.5MQ,潮湿天气不低于(A)。
A、0.25MΩ B、1MΩ C、1.5MΩ D、2MΩ
559.为了促进企业的规范化发展,需要发挥企业文化的(D)功能。
A、娱乐 B、主导 C、决策 D、自律
560.()创新是企业进步的灵魂。 正确答案:对
561.( )职业纪律是企业的行为规范,职业纪律具有随意性的特点。 正确答案:错
562.( )磁导率表示材料的导磁能力的大小。 正确答案:对
563.()维修电工以电气原理图,安装接线图和平面布置图最为重要。 正确答案:对
564.( )千分尺是一种精度较高的精确量具。 正确答案:对
565.( )发现电气火灾后,应该尽快用水灭火。 正确答案:错
566.()劳动者患病或负伤,在规定的医疗期内的,用人单位可以解除劳动合同。 正确答案;错
567.( )双向晶闸管是四层半导体结构。 正确答案:错
568.( )单相桥式可控流路电感性负载时,输出电压波形中可能会出现负压。正确答案:对
569.( )Z3040摇臂钻床主轴电动机的控制电路中没有互锁环节。 正确答案:对
570.( )当被检测物体的表面光亮或其反光率极高时,漫反射式光电开关是首选的检测模式。 正确答案:对
571.( )电子测量的频率范围极宽,其频率低端已进入10-2~10-3Hz量级,而高端已达到4x106Hz。 正确答案:错
572.()非重要回路的2.5级电流表容许使用3.0级的电流互感器。 正确答案:对
573.(几个相同大小的电阻的一端连在电路中的一点,另一端也同时连在另一点,使每个电阻两端都承受相同的电压,这种联。结方式叫电阻的并联。 正确答案:错
574.()劳动者的基本权利中遵守劳动纪律是最主要的权利。 正确答案:错
575.()工业上采用的隔声结构有隔声翠、隔声窗和微穿孔板等。 正确答案:错
576.()X6132型万能铣床工作台纵向移动由纵向操作手柄来控制。 正确答案:对
577.( )X6132型万能铣床工作台向上运动时,压下 SQ2 手柄,工作台即可按选择方向作进绪运动。 正确答案:错
578.()劳动者具有在劳动中获得劳动安全和劳动卫生保护的权利。 正确答案:对
579.()CA6140型车床的刀架快速移动电动机必须使用。 正确答案:对
580.()在电气设备上工作,应填用工作票或按命令执行,其方式有两种。 正确答案;错
581.()桥式起重机操纵室、控制箱内配线时,对线前准备好号码标示管,在对号结束后应立即套好号码标示管并做线结,以防号码标示管脱落。 正确答案:错
582.()机械设备电气控制线路调试时,应先将反馈断开进行调试,然后再接入反馈进行调试。 正确答案:对
583.()桥式起重机接地体制作时,所有扁钢均要求平、直。 正确答案:对
584.()电气测绘一般要求严格按规定步骤进行。 正确答案:对
585.()在爆炸危险场所,如有良好的通风装置,能降低爆炸性混合物的浓度,场所危险等级可以降低。 正确答案:对
586.()x6132型万能铣床的动力电源是三相交流380V,变儿器两侧均有熔断器做过载保护。三个电动机还有热继电器做短路和缺相保护。正确答案:错
587.()非重要回路的5.0级电流表容许使用 3.0级的电流互感器。正确答案:错
588.()测量电压时,电压表应与被测电路串联,电压表的内阳远大于被测负载的电阻。多量程的电压表是在表内备有可供选择的多种阻值倍压器的电压表。 正确答案:错
589.()通用变频器主电路的中间直流环节所使用的大电容或大电感是电源与异步电动机之间交换有功功率所必需的储能缓冲元件。 正确答案:错
560.()三端集成稳压电路有三个接线端,分别足输入端、接地端和输出端。 正确答案:对
561.(()交流接触器与直流接触器的使用场合不同。 正确答案:对
562.()直流电动机启动时,励磁回路的调节电阻应该调到最天。 正确答案:错
563.()时间继电器的选用主要考虑以下三方面:类型、延时方式和线图电压。 正确答案:对
564.()没有生命危险的职业活动中,不需要制定安全操作规程。 正确答案:错
565.()三相负载作Y接时,无论负载对称与否,线电流总等于相电流。 正确答案:对
566.()中华人民共和国电力法规定电力事业投资,实行投资、收益的原则。 正确答案:对
567.()稳压是在电网波动及负载变化时保证负载上电压稳定。 正确答案:对
568.()RC选频振荡电路的典型应用是文氏电桥正弦波振荡电路 正确答案:对
569.(√)创新是企业进步的灵魂。
570.(X)职业纪律是企业的行为规范,职业纪律具有随意性的特点。
571.(√)磁导率表示材料的导磁能力的大小。
572.(x)交流电是指大小和方向随时间作周期变化的电动势。交流电分为正弦交流电和非正弦交流电两大类,应用最普遍的是非正弦交流电。
573.(x)三相负载作三角形联结时,测得三个相电流值相等,则三相负载为对称负载。
574.(√ )维修电工以电气原理图,安装接线图和平面布置图最为重要,
575.(√)千分尺是一种精度较高的精确量具。
576.(√)异步电动机的铁心应该选用软磁材料。
577.(x)发现电气火灾后,应该尽快用水灭火。
578.(√)家用电力设备的电源应采用单相三线50赫兹220伏交流电。
579.(x)劳动者患病或负伤,在规定的医疗期内的,用人单位可以解除劳动合同
580.(x)电子测量的频率范围极宽,其频率低端已进入10-2~10-3Hz量级,而高端己达到4X106Hz。
581.(x)电子仪器按功能可分为超低、音频、超音频高频、超高频电子仪器。
582.(√)三极管符号中的箭头表示发射结导通时电流的方向。
583.(√)X6132型万能铣床圆工作台回转运动调试时,圆工作台只能单方向旋转
584.(x)技术人员以电气原理图,安装接线图和平面布置图最为重要。
585.(√)非重要回路的2.5级电流表容许使用3.0级的电流互感器。
586.(x)电动机是使用最普遍的电气设备之一,一般在70%-95%定负裁下运行时,效率最低,功率因数大。
587.(x)熔断器用千三相异步电动机的过载保护。
588.(√)CA6140型车床的刀架快速移动电动机必频使用。


电话:
地址:

