初级电工复习题-80
发布时间:2020-11-26 11:58:49 点击次数:
一、单项选择题
1. 下列选项中属于职业道德作用的是( A )。
A、增强企业的凝聚力 B、增强企业的离心力
C、决定企业的经济效益 D、增强企业员工的独立性
2. 在职业活动中,不符合待人热情要求的是( A )。
A、严肃待客,表情冷漠 B、主动服务,细致周到
C、微笑大方,不厌其烦 D、亲切友好,宾至如归
3. 下列关于勤劳节俭的论述中,不正确的选项是( B )。
A、勤劳节俭能够促进经济和社会发展
B、勤劳是现代市场经济需要的,而节俭则不宜提倡
C、勤劳和节俭符合可持续发展的要求
D、勤劳节俭有利于企业增产增效
4. 企业生产经营活动中,促进员工之间团结合作的措施是 ( B )。
A、互利互惠,平均分配 B、加强交流,平等对话
C、只要合作,不要竞争 D、人心叵测,谨慎行事
5. 一般电路由( D )、负载和中间环节三个基本部分组成。
A、电线 B、电压 C、电流 D、电源
6. 电位是( D ),随参考点的改变而改变,而电压是绝对量,不随参考点的改变而改变。
A、常量 B、变量 C、绝对量 D、相对量
7. 电功的常用实用的单位有 ( C )。
A、焦耳 B、伏安 C、度 D、瓦
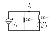
8. 如图所示,IS= 5A,当US单独作用时,I1 = 3A,当IS和US共同作用时I1为( B )。

A、2A B、1A C、0A D、3A
9. 将变压器的一次侧绕组接交流电源,二次侧绕组( B ),这种运行方式称为变压器空载运行。
A、短路 B、开路 C、接负载 D、通路
10. 三相刀开关的作用是接通和断开( C )。
A、大电流 B、负载 C、电压或小电流 D、三相电动机
11. 当二极管外加电压时,反向电流很小,且不随( D )变化。
A、正向电流 B、正向电压 C、电压 D、反向电压
A、放大区 B、饱和区 C、截止区 D、击穿区
12. 如图所示,为( A )三极管图形符号。

A、普通 B、发光 C、光电 D、恒流
13. 电工仪表按工作原理分为( D )等。
A、磁电系 B、电磁系 C、电动系 D、以上都是
14. 变压器的铁心应该选用( D )。
A、永久磁铁 B、永磁材料 C、硬磁材料 D、软磁材料
15. 使用不导电的灭火器材,喷头与带电体电压10KV时,机体喷嘴距带电体的距离要大于( B )。
A、1m B、0.4m C、0.6m D、2m
16. 用手电钻钻孔时,要穿戴( C )。
A、口罩 B、帽子 C、绝缘鞋 D、眼镜
17. 劳动安全卫生管理制度对未成年工给予了特殊的劳动保护,这其中的未成年工是指年满16周岁未满( D )的人。
A、14周岁 B、15周岁 C、17周岁 D、18周岁
18. 验电笔在使用时不能用手接触( A )。
A、笔尖金属探头 B、氖泡
C、尾部螺丝 D、笔帽端金属挂钩
19. 电压互感器二次侧并联的电压线圈不能( C )。
A、过小 B、过大 C、过多 D、过少
20. 多功能电工刀除了刀片外,还有( D )、锥子、扩孔锥等
A、焊锡 B、触头 C、齿轮 D、锯片
21. 游标卡尺测量前应清理干净,并将两量爪合并,检查游标卡尺的( C )。
A、贴合情况 B、松紧情况 C、精度情况 D、平行情况
22. 选择功率表的量程就是选择功率表中的电流量程和( D )量程。
A、相位 B、频率 C、功率 D、电压
23. 选用电能表时应使额定电流不小于负载电流,额定电压( C )电源电压。
A、等于 B、不大于 C、不低于 D、不等于
24. 电缆一般由导电线芯、( B )和保护层所组成。
A、橡皮 B、薄膜纸 C、麻线 D、绝缘层
25. 电流互感器至电流表布线的铜导线截面积应大于等于( D )。
A、0.5 mm2
B、0.75mm2
C、1.5mm2
D、2.5 mm2
26. 安装电气控制柜时,一般使用( D )来固定接触器等低压电器。
A、黑胶布 B、扎带 C、线槽 D、导轨
27. 交流接触器的电磁机构主要由( D )、铁心和衔铁所组成。
A、指示灯 B、手柄 C、电阻 D、线圈
28. 热继电器与其他电器安装在一起时,应将它安装在其他电器的( B )。
A、上方 B、下方 C、左方 D、右方
29. 电源进线应该接在低压断路器的( B )。
A、下端 B、上端 C、侧面 D、后面
30. 接触器安装与接线时应将螺钉拧紧,以防振动( D )。
A、短路 B、动作 C、断裂 D、松脱
31. 为铜导线提供电气连接的组合型接线端子排相邻两片的朝向必须( A )。
A、一致 B、相反 C、相对 D、相背
32. 金属线槽的所有非导电部分的金属要成为一连续导体,并做好整体( A )。
A、接地 B、绝缘 C、导电 D、固定
33. 管线配线时,导线绝缘层的绝缘强度不能低于500V,铜芯线导线最小截面为1( A )。
A、mm2
B、cm2
C、μm2
D、nm2
34. 照明灯具使用时要根据、安装方式、( C )和功率等参数合理选择型号。
A、灯泡颜色 B、灯泡电流 C、灯泡形状 D、灯泡电压
35. 导线剖削时,无论采用何种工具和剥削方法,一定不能损伤导线的( B )。
A、绝缘 B、线芯 C、接头 D、长度
36. 进行多股铜导线的连接时,将散开的各导线隔根对插,再把张开的各线端合扰,取任意两股同时绕( D )圈后,采用同样的方法调换两股再卷绕,依次类推绕完为止。
A、2-5 B、3-5 C、4-5 D、5-6
37. 接地保护适合于电源变压器二次侧( A )不接地的场合。
A、中性点 B、相线 C、零线 D、外壳
38. 接零保护的原理是设备漏电时形成单相短路,使( D )迅速动作。
A、刀开关 B、接触器 C、热继电器 D、保护装置
39. 照明电路由电度表、总开关、( B )、开关、灯泡和导线等组成。
A、插座 B、熔断器 C、电动机 D、接触器
40. 动力主电路由电源开关、熔断器、( C )、热继电器、电动机等组成。
A、按钮 B、时间继电器 C、接触器主触头 D、速度继电器
41. 室内线槽配线时,应先铺设槽底、再( D ),最后扣紧槽盖。
A、导线焊接 B、导线接头 C、导线穿管 D、敷设导线
42. 电阻器RJ72中的J的含义为( B )。
A、碳膜 B、金属膜 C、热敏 D、碳质
43. 无机介质电容器包括( A )。
A、磁介质电容器、云母电容器、玻璃釉电容器
B、磁介质电容器、纸介电容器、塑料薄膜电容器
C、磁介质电容器、云母电容器、塑料薄膜电容器
D、磁介质电容器、纸介电容器、玻璃釉电容器
44. 检波二极管属于( A )二极管。
A、开关型 B、整流型 C、微波型 D、变容型
45. 三极管的特征频率为该管子的电流放大倍数因频率升高而下降至( B )时的频率。
A、10 B、1 C、3 D、5
46. 对于1W以下的中小三极管,可用万用表的( D )挡测量。
A、R×1或 R×10 B、R×100或 R×10
C、R×1或 R×1K D、R×100或 R×1K
47. 电烙铁按功能可分为( A )。
A、单用式、两用式、调温式 B、单用式、感应式
C、多用式、恒温式 D、多用式、感应式
48. 焊接汇流排、金属板等的电烙铁的烙铁头的温度在( D )度。
A、250~350 B、350~450 C、400~500 D、500~600
49. 焊锡配比为35%的锡、42%的铅、23%的铋的熔点温度为( A )度。
A、150 B、200 C、180 D、240
50. 下列不属于有机焊剂的特点是( D )。
A、活性强 B、具有一定腐蚀性
C、有毒 D、活性强
51. PN结正偏的特性是( A )。
A、正偏电阻小、正偏电流大 B、正偏电阻大、正偏电流大
C、正偏电阻小、正偏电流小 D、正偏电大、正偏电流小
52. ( B )是工作在反偏状态,由PN结电容的变化而工作。
A、开关二极管 B、变容二极管 C、稳压二极管 D、检波二极管
53. 晶体管工作在放大状态时,发射结正偏,对于硅管约为0.7V,锗管约为( B )。
A、0.2V B、0.3V C、0.5V D、0.7V
54. 单相整流电路负载上到的电压是( C )。
A、恒定直流电 B、交流电 C、脉动直流电 D、恒定交流电
55. 电容滤波电路中整流元件电流波形与电源电压波形是( A )的。
A、不同 B、相同 C、近似 D、不能确定
56. 一单相半波整流电感滤波电路,已知负载的直流电压为4.5,则该电路电源变压器的副边电压值为( A )伏。
A、10 B、20 C、5 D、15
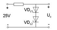
57. 如图所示,已知稳压管的稳定电压均为5.3V,稳压管正向导通时的管压降为0.7V,则输出电压为( B )伏。


A、5.3 B、1.4 C、10.6 D、6
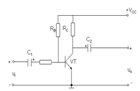
58. 如图所示,已知Vcc=15V,RC=4KΩ,RB=400KΩ,β=40,则ICQ为( A )。

A、4mA B、3mA C、2mA D、5mA
59. 4个1N4007整流二极管组成的电路为( A )。
A、桥式整流 B、单向导通 C、开关电路 D、检波
60. 电力变压器的最高效率发生于所带负载为满载的( D )%时。
A、90~100 B、80~90 C、70~80 D、50~70
61. 三相异步电动机中,不能改变旋转磁场转速的方法是( D )。
A、定子绕组由Y改为YY B、改变磁极的对数
C、改变电源的频率 D、改变电压的高低
62. 异步电动机工作在电动状态时,其转差率的范围是( D )。
A、s=1 B、s>1 C、-1<s<0 D、0< s<1
二、判断题
63、( × )职业道德是一种强制性的约束机制。
64、( √ )在感性负载两端并联适当电容就可提高电路的功率因数。
65、 ( √ )三极管有两个PN结、三个引脚、三个区域。
66、( √ )在不能估计被测电路电流大小时,最好先选择量程足够大的电流表,粗测一下,然后根据测量结果,正确选用量程适当的电流表。
67、 ( × )一般绝缘材料的电阻都在兆欧以上,因此兆欧表标度尺的单位以千欧表示。
68、( √ )导线可分为裸导线和绝缘导线两大类。
69、( × )文明生产对提高生产效率是不利的。
70、( √ )钳形电流表是通过改变二次绕组的匝数来调节电流量程的。
71、 ( × )在三相接零保护系统中,保护零线和工作零线必须装设熔断器或断路器。
72、( × )三极管内部有两个PN结,因此可以用两个二极管组成一个三极管。
73、( √ )电子元器件在焊接前要预先把元器件引线弯曲成一定的形状,提高电子设备的防震性和可靠性。
74、( × )二极管的伏安特性是曲线,表示二极管是线性元件。
75、( × )单相整流电路中整流元件的导通角度为360度。
76、( × )若反馈到输出端的是交流量,称为交流反馈,它能改善交流电路的性能。
77、( × )变压器可以改变直流电路的阻抗。
78、( √ )日光灯电路中的启辉器只在启动时工作一段时间。
79、( × )高压钠灯的发光效率高,但是透雾能力弱。
80、( √ )单相交流落地扇一般采用定子绕组抽头的方法调速。


电话:
地址:

