初级电工-278
发布时间:2020-11-21 22:42:31 点击次数:
初级电工-278
一、单项选择题
1.下列选项中属于职业道德作用的是( A )。
A、增强企业的凝聚力 B、增强企业的离心力
C、决定企业的经济效益 D、增强企业员工的独立性
2.在职业活动中,不符合待人热情要求的是( A )。
A、严肃待客,表情冷漠 B、主动服务,细致周到
C、微笑大方,不厌其烦 D、亲切友好,宾至如归
3.下列事项中属于办事公道的是( D )。
A、顾全大局,一切听从上级 B、大公无私,拒绝亲戚求助
C、知人善任,努力培养知己 D、坚持原则,不计个人得失
4.下列关于勤劳节俭的论述中,不正确的选项是( B )。
A、勤劳节俭能够促进经济和社会发展
B、勤劳是现代市场经济需要的,而节俭则不宜提倡
C、勤劳和节俭符合可持续发展的要求
D、勤劳节俭有利于企业增产增效
5.对自己所使用的工具,( A )。
A、每天都要清点数量,检查完好性 B、可以带回家借给邻居使用
C、丢失后,可以让单位再买 D、找不到时,可以拿其他员工的
6.在一定温度时,金属导线的电阻与( A )成正比、与截面积成反比,与材料电阻率有关。
A、长度 B、材料种类 C、电压 D、粗细
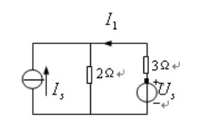
7. 如图所示,IS= 5A,当US单独作用时,I1 = 3A,当IS和US共同作用时I1为( B )。
A、2A B、1A C、0A D、3A
8.三相对称电路的线电压比对应相电压( A )。
A、超前30° B、超前60 C、滞后30° D、滞后60°
9.将变压器的一次侧绕组接交流电源,二次侧绕组( B ),这种运行方式称为变压器空载运行。
A、短路 B、开路 C、接负载 D、通路
10.三相异步电动机工作时,其电磁转矩是由( C )与转子电流共同作用产生的。
A、定子电流 B、电源电压 C、旋转磁场 D、转子电压
11.三相刀开关的作用是接通和断开( C )。
A、大电流 B、负载 C、电压或小电流 D、三相电动机
12.维修电工以电气原理图, 安装接线图和( C )最为重要。
A、展开接线图 B、剖面图 C、平面布置图 D、立体图
13.当二极管外加电压时,反向电流很小,且不随( D )变化。
A、正向电流 B、正向电压 C、电压 D、反向电压
14.电工仪表按工作原理分为( D )等。
A、磁电系 B、电磁系 C、电动系 D、以上都是
15.用螺丝刀拧紧可能带电的螺钉时,手指应该( D )螺丝刀的金属部分。
A、接触 B、压住 C、抓住 D、不接触
16.变压器的铁心应该选用( D )。
A、永久磁铁 B、永磁材料 C、硬磁材料 D、软磁材料
17.使用不导电的灭火器材,喷头与带电体电压10KV时,机体喷嘴距带电体的距离要大于( B )。
A、1m B、0.4m C、0.6m D、2m
18.用手电钻钻孔时,要穿戴( C )。
A、口罩 B、帽子 C、绝缘鞋 D、眼镜
19.劳动者的基本权利包括( D )等。
A、完成劳动任务 B、提高职业技能
C、请假外出 D、提请劳动争议处理
20.劳动安全卫生管理制度对未成年工给予了特殊的劳动保护,这其中的未成年工是指年满16周岁未满( D )的人。
A、14周岁 B、15周岁 C、17周岁 D、18周岁
21.低压验电器是利用电流通过验电器、( C )、大地形成回路,其漏电电流使氖泡起辉发光而工作的。
A、弹簧 B、氖泡 C、人体 D、手柄
22.验电笔在使用时不能用手接触( A )。
A、笔尖金属探头 B、氖泡
C、尾部螺丝 D、笔帽端金属挂钩
23.电流互感器的一次侧( B )在被测电路中。
A、并联 B、串联 C、混联 D、互联
24.电压互感器二次侧并联的电压线圈不能( C )。
A、过小 B、过大 C、过多 D、过少
25.电能表的电流线圈( B )在电路中。
A、混联 B、串联 C、并联 D、互联
26.拉出钢卷尺时,不要在地面上往返拖拽,防止尺面刻划( D )。
A、折断 B、弯曲 C、变形 D、磨损
27.塞尺由不同厚度的若干片叠合在夹板里,厚度为0.02~0.1mm组的,相邻两片间相差0.01mm,厚度为0.1~1mm组的,相邻两片间相差( D )mm。
A、0.01 B、0.02 C、0.04 D、0.05
28.当负载电阻远远小于功率表电流线圈的电阻时,应采用( B )后接法。
A、频率线圈 B、电压线圈 C、电流线圈 D、功率线圈
29.电缆一般由导电线芯、( B )和保护层所组成。
A、橡皮 B、薄膜纸 C、麻线 D、绝缘层
30.电流互感器至电流表布线的铜导线截面积应大于等于( D )。
A、0.5 mm2 B、0.75mm2 C、1.5mm2 D、2.5 mm2
31.电气安装经常使用的角钢是黑铁角钢,刷红丹防锈漆和( B )。
A、银色面漆 B、灰色面漆 C、白色面漆 D、金色面漆
32.热继电器由( A )、触头系统、动作机构、复位机构和整定电流装置所组成。
A、热元件 B、线圈 C、手柄 D、电磁铁
33.电动机的停止按钮选用( B )按钮。
A、黄色 B、红色 C、绿色 D、黑色
34.安装螺旋式熔断器时,电源线必须接到瓷底座的( D )接线端。
A、左 B、右 C、上 D、下
35.接触器安装与接线时应将螺钉拧紧,以防振动( D )。
A、短路 B、动作 C、断裂 D、松脱
36.每一对相反工作状态的按钮安装在( C )。
A、最远组 B、相邻组 C、同一组 D、不同组
37.线路暗管敷设时,管子的曲率半径:R≥6d, 弯曲角度:( D )。
A、θ≥30° B、θ≥45° C、θ≥60° D、θ≥90°
38.管线配线时,导线绝缘层的绝缘强度不能低于500V,铜芯线导线最小截面为1( A )。
A、mm2 B、cm2 C、μm2 D、nm2
39.管线配线时,铝芯线导线越粗,单位面积的安全载流量( B )。
A、越大 B、越小 C、不变 D、常数
40.进行多股铜导线的连接时,将散开的各导线隔根对插,再把张开的各线端合扰,取任意两股同时绕( D )圈后,采用同样的方法调换两股再卷绕,依次类推绕完为止。
A、2-5 B、3-5 C、4-5 D、5-6
41.导线在接线盒内的接线柱中连接时,每个接线端子上的导线根数不能( D )。
A、为2 B、为1 C、过少 D、过多
42.在电源容量大于等于100kVA时,接地保护线的接地电阻值不超过( C )即可。
A、10Ω B、8Ω C、4Ω D、1Ω
43.保护接地与保护接零( C )互换。
A、适合 B、有时 C、不能 D、可以
44.动力控制电路由熔断器、热继电器、按钮、行程开关、( C )等组成。
A、接触器主触头 B、汇流排 C、接触器线圈 D、电动机
45.室内线槽配线时,应先铺设槽底、再( D ),最后扣紧槽盖。
A、导线焊接 B、导线接头 C、导线穿管 D、敷设导线
46.电阻器按结构形式可分为:圆柱型、管型、圆盘型及( A )。
A、平面片状 B、直线型 C、L型 D、T型
47.在100兆赫兹以上时一般不能用( )线圈。
A、空芯 B、铁氧体 C、胶木 D、塑料
48.开关管属于( A )。
A、点接触型二极管 B、面接触型二极管
C、平面型二极管 D、线型二极管
49.最大反向电流受( A )影响。
A、温度及反向电压 B、温度及正向电压
C、温度及电流 D、管子材料及反向电压
50.检波二极管属于( A )二极管。
A、开关型 B、整流型 C、微波型 D、变容型
51.可以用( C )来测试二极管的极性及质量。
A、电压表 B、电流表 C、万用表 D、功率表
52.三极管的特征频率为该管子的电流放大倍数因频率升高而下降至( B )时的频率。
A、10 B、1 C、3 D、5
53.对于1W以下的中小三极管,可用万用表的( D )挡测量。
A、R×1或 R×10 B、R×100或 R×10
C、R×1或 R×1K D、R×100或 R×1K
54.如图所示,为 ( C )场效应管。
A、N 沟道结型 B、P 沟道结型
C、N 沟道绝缘栅增强型 D、N 沟道绝缘栅耗尽型
55.电烙铁长时间通电而不使用,易造成电烙铁的( D )。
A、电烙铁芯加速氧化而烧断 B、烙铁头长时间加热而氧化
C、烙铁头被烧“死”不再“吃锡” D、以上都是
56.焊锡配比为35%的锡、42%的铅、23%的铋的熔点温度为( A )度。
A、150 B、200 C、180 D、240
57.为使焊锡获得强度增大,熔点上升,可以摻入少量( A )。
A、铜 B、铁 C、锌 D、铝
58.( A )的松香不仅不能起到帮助焊接的作用,还会降低焊点的质量。
A、炭化发黑 B、固体 C、液态 D、溶于酒精
59.PN结正偏的特性是( A )。
A、正偏电阻小、正偏电流大 B、正偏电阻大、正偏电流大
C、正偏电阻小、正偏电流小 D、正偏电大、正偏电流小
60.2DW7A表示的是( B )二极管。
A、发光 B、稳压 C、光敏 D、变容
61.单相整流电路负载上到的电压是( C )。
A、恒定直流电 B、交流电 C、脉动直流电 D、恒定交流电
62.一单相桥式整流电容滤波电路,该电路输出电压为24 V,则该电路电源变压器的副边电压为( A )伏。
A、20 B、24 C、28 D、14
63.一单相半波整流电感滤波电路,已知负载的直流电压为4.5,则该电路电源变压器的副边电压值为( A )伏。
A、10 B、20 C、5 D、15
64.( A )是用于防止电网电压波动或负载变化对输出电压的影响。
A、稳压电路 B、整流电路 C、滤波电路 D、变压电路
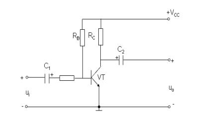
65. 如图所示,已知Vcc=15V,RC=4KΩ,RB=400KΩ,β=40,则ICQ为( A )。
A、4mA B、3mA C、2mA D、5mA
66. 变压器高、低压绕组的出线端分别标记为A、X和a、x,将X和x导线相连,若UAa=UAX+Uax,则( A )两端为异名端。
A、A与a B、A与x C、X与a D、A与X
67.电力变压器的最高效率发生于所带负载为满载的( D )%时。
A、90~100 B、80~90 C、70~80 D、50~70
68.异步电动机减压启动时,启动电流减小的同时,启动转矩减小( D )。
A、不确定 B、一样 C、更小 D、更多
69.装配变压器铁心通常采用( D )的方法。
A、敲击 B、熔化 C、焊接 D、两侧交替对插
70.三相异步电动机的常见故障有:电动机过热、( C )、电动机启动后转速低或转矩小。
A、三相电压不平衡 B、轴承磨损
C、电动机振动 D、定子铁心装配不紧
71.碘钨灯是( B )的一种,属于热辐射电光源。
A、白炽灯 B、卤素灯 C、荧光灯 D、LED灯
72.临时用电架空线最大弧垂处与地面距离,在施工现场不得低于( B )。
A、3.5m B、2.5m C、5m D、3m
73.吊扇和落地扇的电路一般由开关、( D )、电容器和电机绕组所组成。
A、电阻器 B、蜂鸣器 C、断路器 D、调速器
74.三相异步电动机的下列启动方法中,性能最好的是( C )。
A、直接启动 B、减压启动 C、变频启动 D、变极启动
75.三相异步电动机的点动控制线路中( B )停止按钮。
A、需要 B、不需要 C、采用 D、安装
76.自耦变压器减压启动适用于( D )的三相鼠笼式异步电动机。
A、曲折接法 B、只是△接法
C、只是Y接法 D、Y接法或者△接法
77.用接触器控制异步电动机正反转的电路中,既要安全可靠又要能够直接反转,则需要( A )控制环节。
A、按钮、接触器双重联锁 B、按钮联锁
C、接触器联锁 D、热继电器联锁
78.三相异步电动机的位置控制电路中,除了用行程开关外,还可用( D )。
A、断路器 B、速度继电器 C、热继电器 D、光电传感器
79.自动往返控制线路一般通过( B )实现电动机的正反转运行。
A、速度继电器 B、行程开关 C、按钮 D、热继电器
80.三相异步电动机反接制动时,( C )绕组中通入相序相反的三相交流电。
A、补偿 B、励磁 C、定子 D、转子
81.三相异步电动机回馈制动时,将机械能转换为电能,回馈到( D )。
A、负载 B、转子绕组 C、定子绕组 D、电网
82.绕线式异步电动机转子串( B )启动时,转子回路的电阻会自动减小。
A、电容器 B、频敏变阻器 C、滑线变阻器 D、电位器
83.双速电动机△/YY变极调速,近似属于( D )调速方式。
A、恒转速 B、恒电流 C、恒转矩 D、恒功率
84.企业生产经营活动中,要求员工遵纪守法是(B )。
A、约束人的体现 B、保证经济活动正常进行所决定的
C、领导者人为的规定 D、追求利益的体现
85.电路的作用是实现能量的(B )和转换、信号的传递和处理。
A、连接 B、传输 C、控制 D、传送
86.电容器上标注104J 的J 的含义为(C )。
A、±2% B、±10% C、±5% D、±15%
87.铁磁材料在磁化过程中,当外加磁场H 不断增加,而测得的磁场强度几乎不
变的性质称为(D )。
A、磁滞性 B、剩磁性 C、高导磁性 D、磁饱和性
88.三相发电机绕组接成三相四线制,测得三个相电压UU=UV=UW=220V,三个线
电压UUV=380V,UVW=UWU=220V,这说明(C )。
A、U 相绕组接反了 B、V 相绕组接反了
C、W 相绕组接反了 D、中性线断开了
89.用万用表测电阻时,每个电阻档都要调零,如调零不能调到欧姆零位,说明
( A)。
A、电源电压不足,应换电池 B、电池极性接反
C、万用表欧姆档已坏 D、万用表调零功能已坏
90.软磁材料的主要分类有(C )、金属软磁材料、其它软磁材料。
A、不锈钢 B、铜合金 C、铁氧体软磁材料 D、铝合金
91.特别潮湿场所的电气设备使用时的安全电压为( )。正确答案:B
A、9V B、12V C、24V D、36V
92.文明生产的外部条件主要指( C)、光线等有助于保证质量。
A、设备 B、机器 C、环境 D、工具
93.电流互感器的二次侧接( B)。
A、频率表 B、电流表 C、万用表 D、电压表
94.电压互感器二次侧并联的电压线圈不能( C)。
A、过小 B、过大 C、过多 D、过少
95.常用导线按结构特点可分为(C )、裸导线和电缆。
A、扁导线 B、圆导线 C、绝缘导线 D、方导线
96.电气控制一级回路布线的铜导线截面积应大于等于(C )。
A、0.5 mm² B、1.5mm² C、2.5 mm² D、4mm²
97.对于电动机不经常启动而且启动时间不长的电路,熔体额定电流约( B)
电动机额定电流的1.5 倍。
A、大于 B、等于 C、小于 D、大于等于
98.(A )进线应该接在低压断路器的上端。
A、电源 B、负载 C、电阻 D、电感
99.PVC 线槽内包括绝缘在内的导线截面积总和应该不超过内部截面积的
( B)。
A、30% B、40% C、50% D、60%
100.管线配线时,导线绝缘层的绝缘强度不能低于( A),铜芯线导线最小截
面为1mm2。
A、500V B、380V C、220V D、127V
101.管线配线时,铝芯线导线越粗,单位面积的安全载流量(B )。
A、越大 B、越小 C、不变 D、常数
102.在移动灯具及信号指示中,广泛应用(A )。
A、白炽灯 B、荧光灯 C、碘钨灯 D、高压钠灯
103.照明电路由电度表、总开关、( B)、开关、灯泡和导线等组成。
A、插座 B、熔断器 C、电动机 D、接触器
104.动力主电路通电测试的最终目的是(B )
A、观察各接触器的动作情况是否符合控制要求
B、观察各台电动机的工作情况是否符合控制要求
C、观察各熔断器的工作情况是否符合控制要求
D、观察各断路器的工作情况是否符合控制要求
105.动力控制电路通电测试的最终目的是(B )。
A、观察各按钮的工作情况是否符合控制要求
B、观察各接触器的动作情况是否符合控制要求
C、观察各熔断器的工作情况是否符合控制要求
D、观察各断路器的工作情况是否符合控制要求
106.室内线管明线敷设时在线管进入开关、插座和接线盒前(C )处和线管弯
头两边,都要用管卡加以固定。
A、100mm B、200mm C、300mm D、400mm
107.按电感量变化情况可分为(A )。
A、固定电感、可变电感、微动电感 B、固定电感、可变电感
C、可变电感、微动电感 D、放大电感、缩小电感
108.若二极管引线是轴向引出的,则(A )。
A、有色环的一端为负极 B、有色环的一端为正极
C、长引脚的一端为正极 D、长引脚的一端为负极
109.三极管的封装可分为( A)。
A、塑料、金属 B、金属、橡胶
C、橡胶 D、陶瓷
110.集电极最大允许功率损耗,其大小决定于集电结的最高( C)。
A、电压 B、电流 C、温度 D、功率
111.如图所示,为(C )场效应管。
正确答案:C
A、N 沟道结型 B、P 沟道结型
C、N 沟道绝缘栅增强型 D、N 沟道绝缘栅耗尽型
112.手工焊接的工艺要求是( )。正确答案:D
A、保持烙铁头的清洁 B、采用正确的加热方式、焊料、焊剂的用量适中
C、焊点的凝固及清洁 D、都是
113.电烙铁按功能可分为( )。正确答案:A
A、单用式、两用式、调温式 B、单用式、感应式
C、多用式、恒温式 D、多用式、感应式
114.存储、传递热能的烙铁头一般都是用( )材料制成的。正确答案:C
A、钢 B、铸铁 C、紫铜 D、青铜
115.半导体具有( )特点。正确答案:D
A、热敏性 B、光敏性 C、可参杂性 D、都是
116.以下不是PN 结的名称的是( )。正确答案:D
A、空间电荷区 B、阻挡层 C、耗尽层 D、导电层
117.锗管的正偏导通电压为( )伏左右。正确答案:A
A、0.3 B、0.7 C、1 D、0.8
118.3AD6A 表示的是( )三极管。正确答案:A
A、低频大功率 B、低频小功率 C、高频大功率 D、高频小功率
119.电容滤波适合( )场合。正确答案:B
A、大电流 B、小电流 C、负载变化大 D、任意
120.若反馈到输入端的是交流量,称为( ),它能改善交流电路的性能。正
确答案:C
A、正反馈 B、负反馈 C、交流反馈 D、直流反馈
121.中小型异步电动机的额定功率越大,其额定转差率的数值( )。正
确答案:B
A、越大 B、越小 C、不确定 D、为零
122.三相异步电动机多处控制时,若其中一个停止按钮接触不良,则电动机
( )。正确答案:D
A、会过流 B、会缺相 C、不能停止 D、不能启动
123.市场经济条件下,( )不违反职业道德规范中关于诚实守信的要求。正
确答案:A
A、通过诚实合法劳动,实现利益最大化
B、打进对手内部,增强竞争优势
C、根据交往对象来决定是否遵守承诺
D、凡有利于增大企业利益的行为就做
124.市场经济条件下,不符合爱岗敬业要求的是( )的观念。正确答案:
D
A、树立职业理想 B、强化职业责任
C、干一行爱一行 D、多转行多跳槽
125.企业生产经营活动中,促进员工之间团结合作的措施是( )。正确
答案:B
A、互利互惠,平均分配 B、加强交流,平等对话
C、只要合作,不要竞争 D、人心叵测,谨慎行事
126.电位是( ),随参考点的改变而改变,而电压是绝对量,不随参考点的
改变而改变。正确答案:D
A、常量 B、变量 C、绝对量 D、相对量
127.用右手握住通电导体,让拇指指向电流方向,则弯曲四指的指向就是
( )。正确答案:D
A、磁感应 B、磁力线 C、磁通 D、磁场方向
128.维修电工以电气原理图,( )和平面布置最为重要。正确答案:B
A、配线方式图 B、安装接线图 C、接线方式图 D、组件位置图
129.读图的基本步骤有:( ),看电路图,看安装接线图。正确答案:A
A、图样说明 B、看技术说明 C、看图样说明 D、组件明细表
130.单相桥式整流电路的变压器二次侧电压为20 伏,每个整流二极管所承受的最
大反向电压为( )。正确答案:B
A、20V B、28.28V C、40V D、56.56V
131.任何单位和个人不得非法占用变电设施用地、输电线路走廊和( )。正
确答案:A
A、电缆通道 B、电线 C、电杆 D、电话
132.钳形电流表不能带电( )。正确答案:B
A、读数 B、换量程 C、操作 D、动扳手
133.电源进线应该接在刀开关上面的( )上。正确答案:D
A、出线座 B、动触头 C、静触头 D、进线座
134.接触器的( )通断时,三相应保证同时通断,其先后误差不得超过
0.5ms。正确答案:B
A、辅助触头 B、主触点 C、常闭触头 D、常开触头
135.安装螺旋式熔断器时,负载引线必须接到瓷底座的( )接线端。正
确答案:C
A、左 B、右 C、上 D、下
136.导线剖削时,无论采用何种工具和剥削方法,一定不能损伤导线的
( )。正确答案:B
A、绝缘 B、线芯 C、接头 D、长度
137.进行多股铜导线的连接时,将散开的各导线( )对插,再把张开的各线
端合扰,取任意两股同时绕5-6 圈后,采用同样的方法调换两股再卷绕,依次类
推绕完为止。正确答案:A
A、隔根 B、隔两根 C、隔三根 D、隔四根
138.导线在( )内的接线柱中连接时不需外加绝缘。正确答案:C
A、室内 B、线槽 C、接线盒 D、PVC 管
139.照明电路中的平开关,应让色点位于( )。正确答案:A
A、上方 B、下方 C、前方 D、后方
140.电阻器采用三色环标电阻,其精度及允许误差为( )。正确答案:B
A、±10% B、±20% C、±15% D、±25%
141.在100 兆赫兹以上时一般不能用( )线圈。正确答案:B
A、空芯 B、铁氧体 C、胶木 D、塑料
142.特殊二极管有( )。正确答案:A
A、变容二极管、雪崩二极管、发光二极管、光电二极管等
B、整流二极管、变容二极管、雪崩二极管、发光二极管等
C、开关二极管、雪崩二极管、发光二极管、光电二极管等
D、变容二极管、普通二极管、发光二极管、光电二极管等
143.电烙铁的烙铁芯是将( )电阻丝缠绕在两层陶瓷管之间,再经过烧结制
成的。正确答案:D
A、铜 B、钢 C、铁 D、镍铬
144.当采用握笔法时,( )的电烙铁使用起来比较灵活。适合在元器件较多
的电路中进行焊接。正确答案:A
A、直烙铁头 B、C 型烙铁头 C、弯烙铁头 D、D 型烙铁头
145.PN 结正偏的特性是( )。正确答案:A
A、正偏电阻小、正偏电流大 B、正偏电阻大、正偏电流大
C、正偏电阻小、正偏电流小 D、正偏电大、正偏电流小
146.二极管加反偏电压的特性是( )。正确答案:C
A、反向电阻小、反向电流小 B、反向电阻小、反向电流大
C、反向电阻大、反向电流小 D、反向电阻大、反向电流大
147.电容滤波电路一般采用大容量的( )电容器。正确答案:A
A、电解 B、陶瓷 C、云母 D、金属化纸介
148.若反馈到输入端的直流电压,与原输入信息接在不同端,且削弱输入信息,
则该电路的反馈类型是( )。正确答案:A
A、电压串联 B、电压并联 C、电流并联 D、电流串联
149.电力变压器二次侧的额定电压是指一次侧接额定电压,二次侧( )时的
电压值。正确答案:A
A、开路 B、短路 C、满载 D、过载
150.异步电动机工作在电动状态时,其转差率的范围是( )。正确答案:
D
A、s=1 B、s>1 C、-1<s<0 D、0< s<1
151.日光灯镇流器有两个作用,其中一个是( )。正确答案:B
A、产生直流电 B、限制灯丝预热电流
C、整流 D、吸收高次谐波
152.车间照明中潮湿和特别潮湿的场所,应采用相应防护等级的( )灯
具。正确答案:B
A、开启式 B、防水型 C、封闭式 D、防爆型
153.三相异步电动机能耗制动时,机械能转换为电能并消耗在( )回路的电
阻上。正确答案:D
A、励磁 B、控制 C、定子 D、转子
154.电磁抱闸制动一般用于( )的场合。正确答案:A
A、迅速停车 B、迅速反转 C、限速下放重物 D、调节电动机速度
155.正确阐述职业道德与人生事业的关系的选项是( )。正确答案:D
A、没有职业道德的人,任何时刻都不会获得成功
B、具有较高的职业道德的人,任何时刻都会获得成功
C、事业成功的人往往并不需要较高的职业道德
D、职业道德是获得人生事业成功的重要条件
156.一般电路由( )、负载和中间环节三个基本部分组成。正确答案:D
A、电线 B、电压 C、电流 D、电源
157.串联电阻的分压作用是阻值越大电压越( )。正确答案:B
A、小 B、大 C、增大 D、减小
158.电功的常用实用的单位有( )。正确答案:C
A、焦耳 B、伏安 C、度 D、瓦
159.基尔霍夫定律的( )是绕回路一周电路元件电压变化为零。正确答
案:A
A、回路电压定律 B、电路功率平衡
C、电路电流定律 D、回路电位平衡
160.电容器上标注的符号2μ2,表示该电容数值为( )。正确答案:B
A、0.2μ B、2.2μ C、22μ D、0.22μ
161.当线圈中的磁通增加时,感应电流产生的磁通与原磁通方向( )。正
确答案:C
A、正比 B、反比 C、相反 D、相同
162.测得某电路板上晶体三极管3 个电极对地的直流电位分别为VE=3V,VB=
3.7V,VC=3.3V,则该管工作在( )。正确答案:B
A、放大区 B、饱和区 C、截止区 D、击穿区
163.如图所示,为( )三极管图形符号。
正确答案:A
A、普通 B、发光 C、光电 D、恒流
164.基极电流iB 的数值较大时,易引起静态工作点Q 接近( )。正确
答案:B
A、截止区 B、饱和区 C、死区 D、交越失真
165.危险环境下使用的手持电动工具的安全电压为( )。正确答案:D
A、9V B、12V C、24V D、36V
166.下列需要每半年做一次耐压试验的用具为( )。正确答案:D
A、绝缘棒 B、绝缘夹钳 C、绝缘罩 D、绝缘手套
167.多功能电工刀除了刀片外,还有( )、锥子、扩孔锥等正确答案:D
A、焊锡 B、触头 C、齿轮 D、锯片
168.游标卡尺测量前应清理干净,并将两量爪合并,检查游标卡尺的
( )。正确答案:C
A、贴合情况 B、松紧情况 C、精度情况 D、平行情况
169.选择功率表的量程就是选择功率表中的电流量程和( )量程。正确
答案:D
A、相位 B、频率 C、功率 D、电压
170.选用电能表时应使额定电流不小于负载电流,额定电压( )电源电
压。正确答案:C
A、等于 B、不大于 C、不低于 D、不等于
171.负载的用电量要在电能表额定值的10%以上,否则会引起电能表
( )。正确答案:C
A、读数相反 B、读数过大 C、计量不准 D、计量出错
172.铜铝两种导线的连接处容易出现( )。正确答案:C
A、分离 B、绝缘 C、高温 D、低温
173.锡的硬度比铜( )。正确答案:B
A、大 B、小 C、一样 D、高
174.安装电气控制柜时,一般使用( )来固定接触器等低压电器。正确
答案:D
A、黑胶布 B、扎带 C、线槽 D、导轨
175.刀开关可以不频繁地接通和分断容量不大的低压电路或直接启动
( )。正确答案:D
A、变压器 B、大容量电机 C、中容量电机 D、小容量电机
176.熔断器主要由熔体、熔管和( )三部分组成。正确答案:A
A、熔座 B、线圈 C、触头 D、熔芯
177.交流接触器的电磁机构主要由( )、铁心和衔铁所组成。正确答案:
D
A、指示灯 B、手柄 C、电阻 D、线圈
178.热继电器与其他电器安装在一起时,应将它安装在其他电器的( )。正
确答案:B
A、上方 B、下方 C、左方 D、右方
179.漏电保护器在一般环境下选择的动作电流不超过( )mA,动作时间不超
过0.1s。正确答案:A
A、30 B、50 C、10 D、20
180.( )进线应该接在刀开关上面的进线座上。正确答案:A
A、电源 B、负载 C、电阻 D、电感
181.电源进线应该接在低压断路器的( )。正确答案:B
A、下端 B、上端 C、侧面 D、后面
182.为铜导线提供电气连接的组合型接线端子排相邻两片的朝向必须
( )。正确答案:A
A、一致 B、相反 C、相对 D、相背
183.金属线槽的所有非导电部分的金属要成为一连续导体,并做好整体
( )。正确答案:A
A、接地 B、绝缘 C、导电 D、固定
184.PVC 线槽要安装牢固,保证横平竖直;固定支点间距一般不应大于
( )。正确答案:D
A、4.0-4.5m B、3.0-3.5m C、2.0-2.5m D、1.0-1.5m
185.照明灯具使用时要根据、安装方式、( )和功率等参数合理选择型
号。正确答案:C
A、灯泡颜色 B、灯泡电流 C、灯泡形状 D、灯泡电压
186.单股粗铜线连接时,可以采用( )的方法。正确答案:C
A、互钩 B、打结 C、绑扎 D、熔化
187.接地保护适合于电源变压器二次侧( )不接地的场合。正确答案:
A
A、中性点 B、相线 C、零线 D、外壳
188.接零保护的原理是设备漏电时形成单相短路,使( )迅速动作。正
确答案:D
A、刀开关 B、接触器 C、热继电器 D、保护装置
189.照明电路中,一般用( )在两处控制一只灯。正确答案:D
A、手动开关 B、闸刀开关 C、单联开关 D、双联开关
190.动力主电路由电源开关、熔断器、( )、热继电器、电动机等组成。正
确答案:C
A、按钮 B、时间继电器 C、接触器主触头 D、速度继电器
191.动力控制电路不通电测试时,可借助( )电阻档测试每条电路的阻值情
况。正确答案:C
A、功率表 B、电压表 C、万用表 D、电流表
192.电阻器RJ72 中的J 的含义为( )。正确答案:B
A、碳膜 B、金属膜 C、热敏 D、碳质
193.无机介质电容器包括( )。正确答案:A
A、磁介质电容器、云母电容器、玻璃釉电容器
B、磁介质电容器、纸介电容器、塑料薄膜电容器
C、磁介质电容器、云母电容器、塑料薄膜电容器
D、磁介质电容器、纸介电容器、玻璃釉电容器
194.型号CY 表示( )。正确答案:A
A、云母电容器 B、瓷介电容器 C、玻璃电容器 D、电解电容器
195.按三极管的用处来分,三极管可分为( )。正确答案:A
A、放大管、检波管、开关管等 B、放大管、整流管、开关管等
C、放大管、稳压管、开关管等 D、截止、检波管、开关管等
196.焊接汇流排、金属板等的电烙铁的烙铁头的温度在( )度。正确答
案:D
A、250~350 B、350~450 C、400~500 D、500~600
197.下列不属于有机焊剂的特点是( )。正确答案:D
A、活性强 B、具有一定腐蚀性 C、有毒 D、活性强
198.1N4007 中的“1”表示含义为( )的数量。正确答案:A
A、PN 结 B、P 型半导体 C、N 型半导体 D、管子封装材料
199.( )是工作在反偏状态,由PN 结电容的变化而工作。正确答案:B
A、开关二极管 B、变容二极管 C、稳压二极管 D、检波二极管
200.晶体管工作在放大状态时,发射结正偏,对于硅管约为0.7V,锗管约为
( )。正确答案:B
A、0.2V B、0.3V C、0.5V D、0.7V
201.电容滤波电路中整流元件电流波形与电源电压波形是( )的。正确
答案:A
A、不同 B、相同 C、近似 D、不能确定
202.如图所示,已知稳压管的稳定电压均为5.3V,稳压管正向导通时的管压降
为0.7V,则输出电压为( )伏。正
确答案:B
A、5.3 B、1.4 C、10.6 D、6
203.单管电压放大电路动态分析时的电压放大过程,( )在直流电源和交流
信号的作用下,电路中电流和电压既有直流分量,又有交流分量。正确答案:
A
A、放大电路 B、直流通路 C、交流通路 D、反馈放大通路
204.交流负反馈可以改善交流指标,若要稳定输出电压,增大输入电阻,则应引
入( )负反馈。正确答案:A
A、电压串联 B、电压并联 C、电流并联 D、电流串联
205.( )稳压电路的调整管,工作效率低。正确答案:B
A、并联型稳压管 B、串联型 C、开关型 D、并联型
206.4 个1N4007 整流二极管组成的电路为( )。正确答案:A
A、桥式整流 B、单向导通 C、开关电路 D、检波
207.自耦变压器与普通双绕组变压器相比,重量轻、体积小、效率高、( )
差。正确答案:D
A、机械强度 B、电压稳定性 C、功率因数 D、安全性
208.三相异步电动机中,不能改变旋转磁场转速的方法是( )。正确答
案:D
A、定子绕组由Y 改为YY B、改变磁极的对数
C、改变电源的频率 D、改变电压的高低
209.三相异步电动机的额定转速是指满载时的( )。正确答案:A
A、转子转速 B、磁场转速 C、皮带转速 D、齿轮转速
210.转子串电阻调速只适合于( )异步电动机。正确答案:D
A、深槽式 B、无刷式 C、鼠笼式 D、绕线式
211.拆卸交流接触器的一般步骤是( )。正确答案:B
A、灭弧罩—主触头—辅助触头—动铁心—静铁心
B、灭弧罩—主触头—辅助触头—静铁心—动铁心
C、灭弧罩—辅助触头—动铁心—静铁心—主触头
D、灭弧罩—主触头—动铁心—静铁心—辅助触头
212.高压汞灯与白炽灯相比,光色好、( )。正确答案:B
A、功率小 B、发光效率高 C、价格低 D、功率因数高
213.吊灯灯座必须用两根绞合的塑料软线或花线与( )连接。正确答案:
D
A、熔断器 B、电源 C、开关 D、挂线盒
214.对于容量不是很大的三相鼠笼式异步电动机可以采用( )的启动方
法。正确答案:A
A、定子绕组串电阻 B、定子绕组串电容
C、转子绕组串电阻 D、转子绕组串电容
215.三相异步电动机延边三角形启动时,定子绕组一部分接成三角形,另一部分
接成( )。正确答案:C
A、菱形 B、矩形 C、Y 形 D、△形
二、判断题
216.( √)职业道德是一种非强制性的约束机制。
217.(× )变压器是根据电磁感应原理而工作的,它能改变交流电压和直流电压。
218.(√ )晶体管可以把小电流放大成大电流。
219.(√ )使用螺丝刀时要一边压紧,一边旋转。
220.(× )室内照明线路使用铝导线是国家强制性标准所允许的。
221.(√ )按钮是短时间接通或断开小电流电路的电器。
222.( √)在拆装、检修低压断路器和交流接触器时,应备有盛放零件的容器,
防止丢失零件。
223.(√ )日光灯电路由开关、镇流器、灯管和启辉器组成。
224.( ×)三相异步电动机减压启动时,启动电流减小,启动转矩增大。
225.(√ )放大电路通常工作在小信号状态下,功放电路通常工作在极限状态
下。
226.(√)被测量的测试结果与被测量的实际数值存在的差值称为测量误
差。
227.(√)螺丝刀是维修电工最常用的工具之一
228.(√ )金属线槽的所有非导电部分的金属件均应相互连接和跨接,使之成
为一连续导体,并做好整体接地。
229.( ×)在模拟电路中三极管主要工作在开关状态。
230.(√)在有些电子产品的加工过程中,需要使用低温焊锡丝,温度在一百
多度。
231.(√)临时用电电源施工、安装应严格执行电气施工安装规范,并接地良
好。
232.(√)不论定子绕组是Y 接法还是△形接法,都可以采用自耦变压器减压
启动。
233.(× )高压钠灯的发光效率高,但是透雾能力弱
234.( × )职业道德是一种强制性的约束机制。
235.( × )没有生命危险的职业活动中,不需要制定安全操作规程。
236.( √ )在感性负载两端并联适当电容就可提高电路的功率因数。
237.( × )读图的基本步骤有:看图样说明,看主电路,看安装接线。
238.( √ )二极管按结面积可分为点接触型、面接触型。
239.( × )稳压二极管的符号与普通二极管的符号是相同的。
240.( √ )三极管有两个PN结、三个引脚、三个区域。
241.( × )负反馈能改善放大电路的性能指标,但放大倍数并没有受到影响。
242.( √ )在不能估计被测电路电流大小时,最好先选择量程足够大的电流表,粗测一下,然后根据测量结果,正确选用量程适当的电流表。
243.( √ )测量电压时,要根据电压大小选择适当量程的电压表,不能使电压大于电压表的最大量程。
244.( × )一般绝缘材料的电阻都在兆欧以上,因此兆欧表标度尺的单位以千欧表示。
245.( × )钢丝钳(电工钳子)的主要功能是拧螺钉。
246.( √ )导线可分为裸导线和绝缘导线两大类。
247.( √ )雷击是一种自然灾害,具有很多的破坏性。
248.( × )文明生产对提高生产效率是不利的。
249.( √ )将待剥皮的线头置于剥线钳钳头的刃口中,用手将两钳柄一捏,然后一松,绝缘皮便与芯线脱开。
250.( √ )钳形电流表是通过改变二次绕组的匝数来调节电流量程的。
251.( × )钳形电流表测量三相对称电流,将三根电线一起钳入时,读数是单相的三倍。
252.( × )刀开关由进线座、静触头、线圈、出线座、手柄等组成。
253.( × )漏电保护器负载侧的中性线允许与其它回路共用。
254.( × )在三相接零保护系统中,保护零线和工作零线必须装设熔断器或断路器。
255.( × )电感器在电路起阻流、变压、传送信号、放大等作用。
256.( × )三极管内部有两个PN结,因此可以用两个二极管组成一个三极管。
257.( √ )场效应管可应用于大规模集成、开关速度高、信号频率高的电路。
258.( √ )电子元器件在焊接前要预先把元器件引线弯曲成一定的形状,提高电子设备的防震性和可靠性。
259.( √ )助焊剂是焊接时添加在焊点上的化合物,是进行锡铅焊接的辅助材料。
260.( × )二极管的伏安特性是曲线,表示二极管是线性元件。
262.( × )单相半波与全波整流电路输出的波形是一样的。
267.( × )单相整流电路中整流元件的导通角度为360度。
268.( × )电感滤波电路适合小电流的场合。
269.( × )若反馈到输出端的是交流量,称为交流反馈,它能改善交流电路的性能。
270.( × )变压器的主要额定值有额定容量、额定电压和额定转矩。
271.( × )变压器可以改变直流电路的阻抗。
272.( √ )异步电动机的电磁转矩与转速方向相反时称制动。
273.( √ )日光灯电路中的启辉器只在启动时工作一段时间。
274.( × )日光灯多用于走廊、楼梯、工地等对显色性要求不高的场合。
275.( × )高压钠灯的发光效率高,但是透雾能力弱。
276.( √ )工厂生产车间等场所照明用灯具应按环境条件、满足工作和生产条件来选择。
277.( √ )单相交流落地扇一般采用定子绕组抽头的方法调速。
278.( × )任何一台三相鼠笼式异步电动机都可采用Y-△启动方法。


电话:
地址:

